
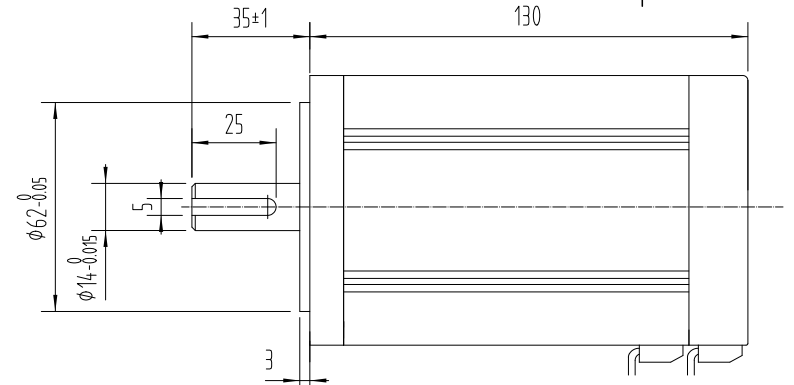
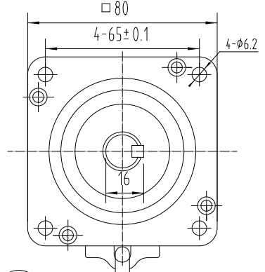
时代超群高压直流无刷电80BL130S75-3130TK9,电机电压310V,功率750W,转速3000转,具体参数见下表,此款电机采用节能环保领域的骄子-钕铁磁硼钢,保证设备的良好性能。广泛应用于打磨,切削,钻孔等场合 时代超群直流无刷电机80BL130S55-3115TK9转动惯量如下: 1050g·cm2 
产品尺寸图如下: 
 

ZM-7210A直流无刷电机驱动器是我公司推出的,针对大功率电机传动领域的高科技产品。本产品使用大规模的集成电路取代原有硬件设计,具有更高的抗干扰性及快速响应等性能。 本产品适合驱动输入电流在10A以下,电源电压在AC80V~250V以内(面板标称AC80V~220V)的任意一款有霍尔或无霍尔的三相直流无刷电机,并具有大电流工作时温度低的特点。产品应用于针织设备、医疗设备、食品包装机械、电动工具等一系列的电气自动化控制领域。
上图两款驱动都是驱动310V高压直流无刷电机的,驱动器可以直接供电220VAC交流,也可以供电310VDC直流
交流供电在驱动器的可耐受的电压范围即可。 但是在供电直流的时候要注意电源的正负: AC1正,AC2负

联系方式:13811070445(刘女士)
相关文章:
|