
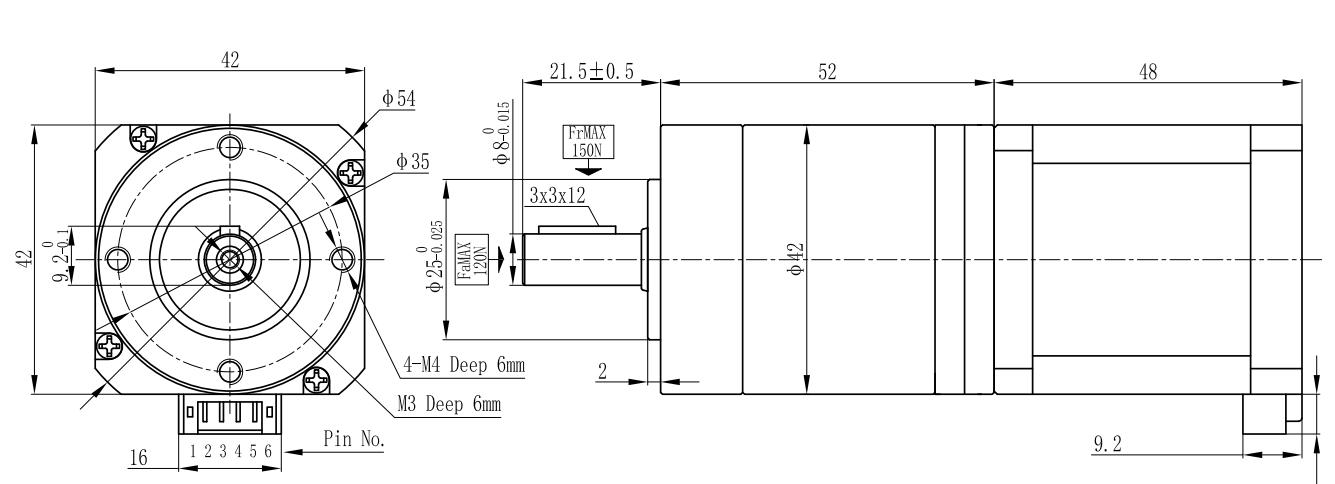
图为时代超群42减速步进电机42HB48PL050R-TK0,步距交1.8°,电流1.96A 速比1:50,输出静扭矩30NM,。具体参数如下:

产品尺寸图如下: 
 
可搭配数字式驱动器DM420.此款驱动搭配42电机,使得电机的出力更大。

DM420数字式两相混合式步进电机驱动器,适配相电流在2.0A 以下、外径20,35,39,42 的四线,六线,八线两相混合式步进电机。可设置128 内种细分以及2.0A 内各种电流,内部增加电机专用控制算法,能够针对不同电机采用相应运行参数,使电机运行非常平稳,震动以及噪声极小。内置过热,过流,过压检测,保护驱动器稳定运行。

适合各种运动控制领域自动化设备和仪器,例如:3D 打印机、激光加工设备、雕刻设备、医疗设备、测量设备、电子加工设备、纺织服装设备等。

控制器脉冲口5-24V兼容。


驱动器电流0-2A分8个档可调,可以****限度的满足客户要求,降低运行噪音。 
细分值有15个规格可选,****可以细分到128细分,从而使电机运行平稳。减小震荡

联系方式:QQ:467102884 电话:18710050116(刘女士) 淘宝店铺: 

相关文章:
|