
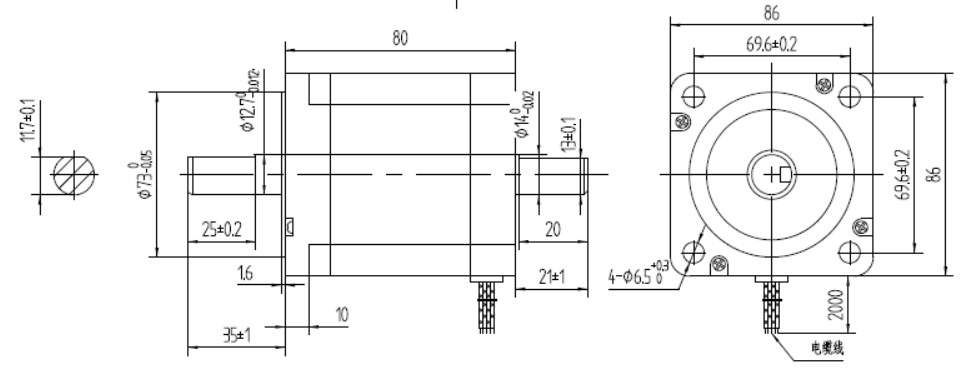
上图为客户定做86双出轴两相混合式步进电机86HBP80AL4-DKA,电机步距角1.8°,扭矩4N.m,电流4A,机身高80MM,轴径Φ12.7MM,双出轴,产品参数表如下: 
产品尺寸图如下:

可以搭配行星减速机,增加输出力矩。下图搭配的PX86N005S0,客户特殊定制5速比行星减速机。PX系列行星减速机:精度会在20弧分(1/3度),输出80%-85%,价格会相对比较实惠,更适合搭配步进电机使用。 
输出扭矩=电机扭矩*减速比*效率>实际需要的扭矩<减速机能承受的额定扭矩 减速步进电机输出扭矩=4NM*5速比*80%效率=16NM<40NM减速机能承受的额定扭矩。所以最终输出的静扭矩为16NM。 
配套驱动ZD-2HA860两相步进电机驱动器接口采用超高速光耦隔离;抗高频干扰能力强;16种不同细分任意切换;自动半流锁定;8 档电流可调;支持脱机、使能、锁定等功能;过压、欠压、过流保护。 细分高达128细分,使步进电机运转精度提高2-64倍。每秒两万次的斩波频率,可以消除驱动器中的斩波噪声。另一特有的功能是静止自动减流:当电机处于停止状态时,输出电流可自动降至较低值,从而减少电机和驱动器的发热。 成功应用于以下产品: 数控钻床系统、数控车床系统、数控铣床系统、数控磨床系统。 裁剪机控制系统、切割机控制系统、焊接控制系统、点胶机控制系统、送料控制系统。 位移台、一维控制平台、二维控制平台。 螺纹机控制系统、锁螺丝机控制系统。 喷涂生产线控制系统、装配生产线控制系统、记米器控制系统。
联系方式:QQ:467102884 电话:13811070445(刘女士)
相关文章:
|