
上图为客户定做的一款时代超群主打80系列带刹车直流无刷电机80BL110S40-230TK9B 额定功率400W,额定转速3000转 输出力矩可达1.27Nm,高转速、低噪音,适用在有无极调速需求及小型自动化控制领域,常用打磨,切削,钻孔等场合,具体参数如下: 
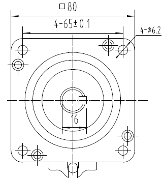
产品尺寸图如下: 

那么如何给这款电机搭配适当的驱动器呢。我公司提供驱动配套服务。为你选择合适的驱动器。

ZM-6630A直流无刷电机驱动器是我公司推出的,针对中功率无刷电机传动领域的高科技产品。本产品使用大规模的集成电路取代原有硬件设计,具有更高的抗干扰性及快速响应能力。本产品适合驱动峰值电流在30A以下,电源电压在DC36V~60V以内的任意一款低压正弦波有霍尔三相直流无刷电机,并具有大电流工作时温度低的特点。 
这款30A驱动器已是恒电流恒扭矩,电流达到30A,一直30A工作,根据负载变化,降速工作,速度就是0-5V电压调速,也就是只要电流到30A,负载还是会持续加的话,驱动器不保护,会继续保持30A降速工作. 
尺寸图如下: 
产品应用于针织设备、医疗设备、食品包装机械、电动工具等一系列的电气自动化控制领域。 正反转和启停 
联系方式:QQ:467102884 电话:18710050116(刘女士)
淘宝店铺: 

相关文章:
|