
上图为时代超群一款时代超群低压直流无刷电80BL110S25-215TK9-NH-MF,电机电压24V,功率250W,转速1500转,扭矩1.6NM,电机无霍尔控制,防水登记IP65.常用于,打磨,切削,钻孔等场合,具体参数见下表: 
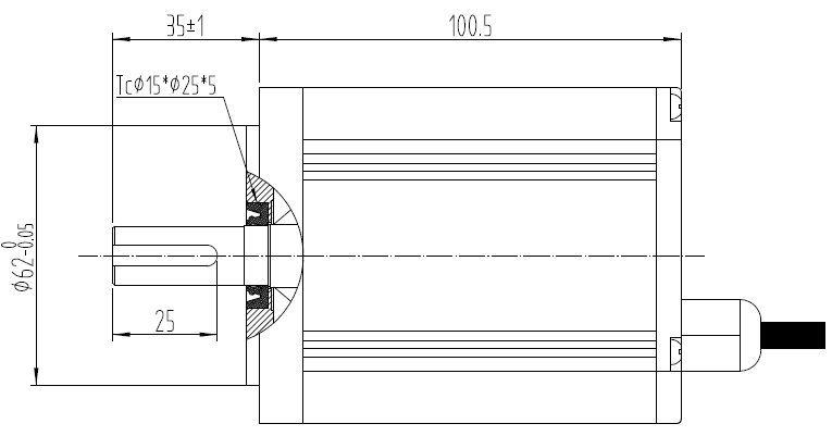
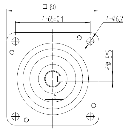
产品尺寸图如下: 


防水电机引流槽,把多余水分引流出去 
电机后罩防水出现设置,带防水密封圈 
优势特点: - 高效节能:相比传统的有刷电机,直流无刷电机具有更高的效率和更低的能耗,能够在相同的输入功率下提供更大的输出功率。 - 良好的调速性能:可以通过调整输入电流或电压的方式实现精确的调速,满足不同应用场景对电机转速的需求。 - 长寿命:由于没有电刷和换向器的磨损,电机的使用寿命更长,减少了维护和更换的成本。 - 防水性能可靠:经过特殊的防水设计和处理,能够在潮湿或水下环境中稳定工作,避免因水分侵入而损坏电机。 应用领域: - 水下设备:如水下机器人、潜水推进器、水下摄像机等,这些设备在水下工作,需要电机具备良好的防水性能,以确保其正常运行和使用寿命。 - 潮湿环境设备:在一些潮湿的工作环境中,例如矿井、隧道、水处理厂等,直流无刷防水电机可以避免因水分侵入而导致的电机故障,保证设备的稳定运行。
联系方式:13811070445(刘女士) 
相关文章: 80系列伺服专用精密行星减速机配600W交流伺服电机驱动套装(LP) 24V直流50W伺服电机驱动套装配40系列精密行星减速机(LP) 86两相混合式步进电机配RV50蜗轮蜗杆减速机及128细分可调数字驱动器(LP) RV40蜗轮蜗杆减速机配600W交流伺服电机驱动套装(LP) 86两相7.5Nm步进电机配6速比行星减速机及128细分驱动器(LP) 2NM步进电机驱动控制套装配孔输出行星减速机(LP) 500W/4500转高速直流无刷电机配30A位置速度闭环控制驱动器 750W高压直流无刷电机配10速比行星减速机及5A低发热驱动器输出扭矩19NM 785W大功率直流无刷电机48V配24速比行星减速机输出每秒2转左右 210W直流无刷电机配4速比行星减速机及大电流无刷控制器 24V/180W直流无刷电机配8A驱动器配蜗轮蜗杆减速机 550W/1500转直流无刷电机配行星减速机和大电流高压控制器 100W直流无刷电机驱动套装配RV30蜗轮蜗杆40速比减速机
|