
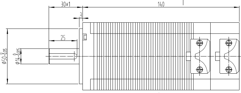
上图为时代超群一款时代超群低压直流无刷电60BL140S20-215TK9,电机电压24V,功率200W,转速1500转,扭矩1.27NM,常用于,打磨,切削,钻孔等场合,具体参数见下表:  产品尺寸图如下: 

可搭配的驱动器推荐

ZM-6618高集成度高可靠性无刷直流(BLDC)电机控制器, 三相全桥,PWM 方波驱动控制,过流保护措施,过载时立即关断输出及时保护电机,纯硬件设计,高速度,高抗干扰能力,宽幅电压兼容 DC12-60V,低发热,大功率 此驱动常规控制方式如下: 
联系方式:13811070445(刘女士) 淘宝店铺: 

相关文章:
|