
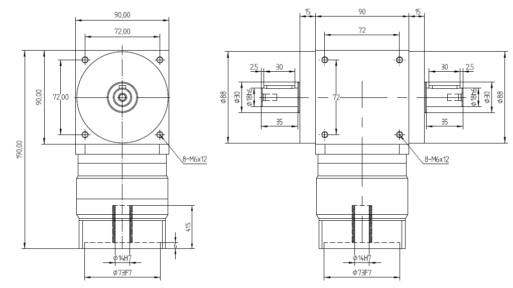
图中为精密T型减速机,是精密减速机+双出轴换向器的组合,减速机有一下几款可选。 

精度登记有三个等级P0,P1,P2等级。精度高,运行噪音低,可以适配市面上的86步进地那几,具体图纸如下: 

联系方式::13811070445(刘女士) 
相关文章: 80系列伺服专用精密行星减速机配600W交流伺服电机驱动套装(LP) 24V直流50W伺服电机驱动套装配40系列精密行星减速机(LP) 86两相混合式步进电机配RV50蜗轮蜗杆减速机及128细分可调数字驱动器(LP) RV40蜗轮蜗杆减速机配600W交流伺服电机驱动套装(LP) 86两相7.5Nm步进电机配6速比行星减速机及128细分驱动器(LP) 2NM步进电机驱动控制套装配孔输出行星减速机(LP) 400W直流供电伺服电机驱动套装配高性价比36速比行星减速机(LP) 地铁进站门用210W直流无刷电机配36速比行星减速机(LP) 40/42系列行星减速机配100W高压交流伺服电机驱动套装(LP) 35NM交流伺服电机驱动套装配180系列精密行星减速机(LP) 12.5NM闭环步进电机驱动套装配直角行星减速机(LP)
|