|
|
|
| 当前位置:首页--无刷直流电机-- |
 |
 |
|
| 时代超群低压780W带24V电磁刹车直流无刷电机86BL130S78-3130TK5B(LP) |
| 2026年2月26日 |

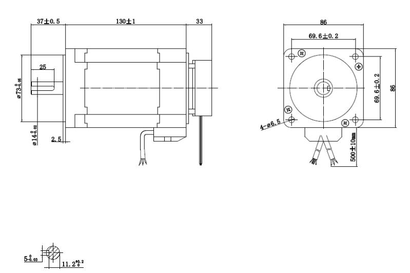
图为时代超群一款带刹车的低压直流无刷电机80BL130S78-430TK5B,电机电压310V,功率785W,转速3000转,此款电机采用节能环保领域的骄子-钕铁磁硼钢,保证设备的良好性能。可用于抽油烟机、抽水机等家用器具,以及电控制器、发动机等汽车领域。应用范围非常广泛。 电机参数如下:


刹车参数如下: 
产品尺寸图如下: 
电机刹车24V供电,断电刹车,刹车扭矩4Nm
联系方式:QQ:467102884 电话:13811070445(刘女士) 淘宝店铺: 

相关文章:
|
|
|
|
 |
|
|