专业的微特电机产品发布平台
用户名: 密码: 注册
设为首页 加入收藏 联系我们
免费注册 企业免费建站
新技术论坛 会员产品发布
TB6600QQ群:70241714   步进电机论文   六轴工业机器人解决方案  
步进电机     驱动器     控制器     马达IC     伺服电机     无刷直流电动机     微特电机文献     工控器件     运动控制新产品     六轴工业机器人    
 当前位置:首页--无刷直流电机--
时代超群80法兰400W 3000转直流无刷电机80BL100S40-430TK9测功曲线(LP)
2025年12月3日

1e1607dc-b1f8-43b3-b621-df0858299561.png

时代超群直流无刷电80BL100S40-430TK9,电机电压48V,功率400W,转速3000转,此款电机采用节能环保领域的骄子-钕铁磁硼钢,保证设备的良好性能。

ede63609-e7c8-4e2b-968c-11297a65f5e1.png

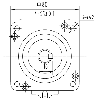
产品尺寸图如下:

d952fa83-eaf5-4306-ac33-b02eaa63f226.png28eb2d67-eb21-459f-9392-6ca13ff94384.png

80BL100S40-430TK9测功曲线如下:

bbec5576-e6e7-49ca-809c-5b8862e9ec3b.png

6b34903a-f8f3-4e3d-8bc0-c883cec031f7.png

e7b44a19-39ad-4c56-9b95-f98b4c02a1bb.png

联系方式:13811070445(刘女士)

淘宝店铺:

image.png

店铺二维码.JPG



相关文章:


直流无刷电机带精密减速机为什么温升比普通的高一些呢(LP)



为什么无刷驱动器上显示的转速数值和直接用测速仪出来的结果有误差呢?(LP)



12W300转小功率直流24V无刷电机驱动一体式电机(LP)



带485通讯功能的直流无刷驱动器ZM-6610M新款升级说明(LP)



客户定做低速1500转大功率1.5kw直流48V无刷电机(LP)



带电磁刹车大功率1KW直流无刷电机驱动套装可485通讯(LP)



高性价比18A带霍尔直流无刷电机驱动器ZM-BL4818S(LP)



可配80无刷直流电机的待输入法兰的高性价比直角行星减速机(LP)



直流无刷电机如何利用三档自锁开关来控制正安反转和停止(LP)



带位置闭环控制控制的20A低压直流无刷驱动器ZM-6620M(LP)



ZM-6610M脉冲控制无刷电机共阴极和光阳极接法说明(LP)



无刷电机带蜗轮蜗杆减速机长期运行减速机漏油如何解决(LP)



关于直流无刷控制器恒扭矩开环模式和恒扭矩闭环模式的解读(LP)



高端进口轴承1.8KW高速6000转高压直流无刷电机驱动套装(LP)



无刷电机借助外力才能启动是什么原因?(LP)



可自动识别匹配有霍尔或者无霍尔34V/36V直流无刷控制器5A(LP)



关于直流无刷驱动器/控制器风扇旋转的启动条件(LP)



ZM-6610M直流无刷驱动器换向频率和转速的关系(LP)


设为首页   |   加入收藏   |   联系我们   |   站长留言   |   广告服务   |   友情链接   |   免费展示
网站实名:步进电机网 步进电机驱动器网 微特电机网 网站地图 新闻中心
版权所有:北京时代四维科技有限公司
© Copyright By www.zgbjdj.com
京ICP备11042559号-1