
上图为时代超群150伺服电机用超高精密行星减速机,有直角减速机,直角空输出,普通轴输出,普通空输出,圆法兰,方法兰,多重规格,此系列行星减速机,精度更高,回差可到8弧分,可配150伺服电机,固定牢固稳定,无间隙。 
那么此系列行星减速机使用的材质如下: 齿轮:20crmoti 齿圈,轴:40CR 法兰:铝镁合金型材 
由于此系列减速机刚性好、背隙小,比较精密。法兰可切换、噪音小。广泛用于精密机械制造设备,数控设备,军工系统等。常搭配伺服电机使用
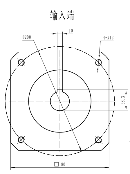
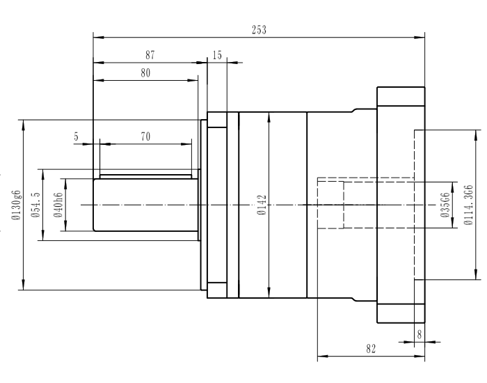
产品尺寸图如下:  

联系方式:QQ:467102884 电话:13811070445(刘女士) 
相关文章: 80系列伺服专用精密行星减速机配600W交流伺服电机驱动套装(LP) 24V直流50W伺服电机驱动套装配40系列精密行星减速机(LP) 86两相混合式步进电机配RV50蜗轮蜗杆减速机及128细分可调数字驱动器(LP) RV40蜗轮蜗杆减速机配600W交流伺服电机驱动套装(LP) 86两相7.5Nm步进电机配6速比行星减速机及128细分驱动器(LP) 2NM步进电机驱动控制套装配孔输出行星减速机(LP) 400W直流供电伺服电机驱动套装配高性价比36速比行星减速机(LP) 地铁进站门用210W直流无刷电机配36速比行星减速机(LP) 40/42系列行星减速机配100W高压交流伺服电机驱动套装(LP) 35NM交流伺服电机驱动套装配180系列精密行星减速机(LP) 12.5NM闭环步进电机驱动套装配直角行星减速机(LP) 750W交流伺服电机驱动套装配4速比精密行星减速机(LP) |