
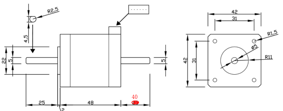
上图为时代超群双出轴42步进电机42HBD48BJ4-DFH,电机步距角1.8° 扭矩0.52N.m,电流1.7A,机身高48MM,轴径Φ5/Φ5,D轴/D轴,出轴长27mm/20mm,扁位长是20mm,具体产品尺寸图如下。广泛适用范围于激光、医疗、纺织、安防等行业。 

ZD-2HD542是时代超群采用自主研发的高性价比的细分驱动器,特别适合大批量低成本用途,同时具有优越的性能。由于采用了三态控制技术,比市面上大多数驱动器的电机噪音和电机发热均有明显改善。此驱动器的细分多达十五种,SW4可设置静止半流,极大地减小了电机发热。具有更宽的电流和电压。电机发热和噪音也明显改善,高速性能也较大提升,驱动器的尺寸也较小,和市面上的驱动器相比,****竞争力和吸引力。

\ ZD-2HD542两相步进电机驱动器低价格,高速力矩大;供电电压可达50V;输出电流峰值可达4.2A(均值3.0A);三态电流控制技术电机发热低;静止电流自动减半0.4S 减小为60%;可驱动4,6,8 线两相步进电机;光隔离差分信号输入,,2、4、5、8、10、16、20、25、32、40、50、64、100、125和128细分任选脉冲****响应频率****可达200KHz;细分精度128可选;外形尺寸小巧;电流设定方便,八档可选;4 位拨码,共15 档细分;具有过压、短路等保护功能;双极恒流PWM 驱动输出。脉冲信号电压为DC5-24V; 适合于各种转速,尤其是高转速运转,噪音低,扭矩大,振动小,适合于雕刻机、切割机、拉线机、喷涂机、绘图仪、各种数控机床、打标机、推杆机等各种小型自动化设备使用。
系方式:QQ:467102884 电话:18710050116(刘女士)
相关文章: 20系列两相混合式步进电机 28系列两相混合式步进电机 35系列两相混合式步进电机 39系列两相混合式步进电机 42系列两相混合式步进电机 57系列两相混合式步进电机 57系列三相混合式步进电机 60系列两相混合式步进电机 86系列两相混合式步进电机 86系列三相混合式步进电机 110系列两相混合式步进电机 130系列三相混合式步进电机 110系列三相混合式步进电机 关于控制器如何接限位开关的示例——DY-IS为例(LP)
机床数控系统专用可编程逻辑控制器/PLC 新品推荐——机床数控系统CX200T功能介绍 使用进口原装高速智能芯片做为平台的CS10-3控制器接线说明 新品推荐——经济型步进电机控制器 CS10-3适用于各种环境恶劣环境的能控制器功能设置及说明(LP) 适用于传感器控制往返运动、定长控制和速度控制的控制器 具有高抗干扰能力的CS10-4控制器安装和接线示意图 体积小、可靠性高、寿命长、易于使用的单轴控制器 CS10系列单轴控制器性能比较 可载重100KG的加强型精密导轨滑台 新款CBX系列滚珠丝杆线性导轨 客户定制带手轮双圆轴滚珠丝杆直线导轨 有效行程为1200MM的加强型双圆直线导轨 客户定制双滑块可独立运动线性导轨 客户定制有效行程为20MM的线性导轨 客户定制有效行程为200、600、1100mm的双线型导轨 客户个性化定制服务——双滑块导轨【视频资料】 非标定制加长型同步带导轨测试视频 梯形丝杆直线导轨和42电机的搭配使用 86大力矩电机+减速+导轨滑台测试应用视频 可定制型密闭同步带导轨承重测试 控制器 导轨滑台在雕刻机中的实例应用视
|