
上图为国外客户订购的一款时代超群带GBX系列重型导轨滑台,GBX2020J-100,导轨选用丝杆是2020规格的,也就是丝杆粗20MM,导程是20MM,既电机转一圈移动20MM,有效行程100MM.具体尺寸图如下: 


GBX系列双线型重型滑台导轨滑块为150mm*155mm含四个导轨滑块,水平****载重300KG,垂直载重100KG,定位精度0.03MM,可以做到有效行程2米以内。规格:1605、1610、2020、2010,1605是指滚珠丝杠直径16,05是指螺距,螺距就是电机360度(也就是一圈)走的毫米,可以配86/110/130系列步进电机,下面推荐一款86电机。连接片如下规格 
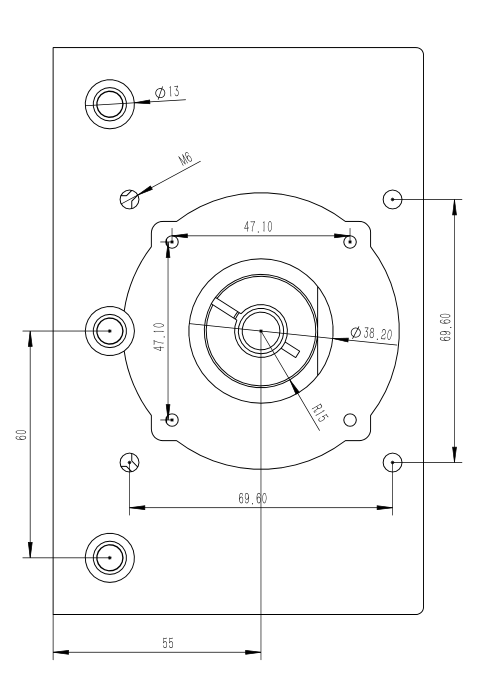
86HBP155AL4S-TK0两相混合式刹车步进电机是时代超群推出的新款12NM步进电机,此电机性能要比同类市场相同扭矩的电机,磁力大,运行平稳,出线设计和密封圈的设计,让电机抵抗恶劣环境的性能更佳,电机步距角1.8°,扭矩12N.m,电流5.8A,机身高150MM,轴Φ14MM。 
配套驱动ZD-2HA860两相步进电机驱动器接口采用超高速光耦隔离;抗高频干扰能力强;16种不同细分任意切换;自动半流锁定;8 档电流可调;支持脱机、使能、锁定等功能;过压、欠压、过流保护。
联系方式:QQ:467102884 电话:18710050116
相关文章: 86系列两相混合式步进电机 86系列三相混合式步进电机 110系列两相混合式步进电机 130系列三相混合式步进电机 110系列三相混合式步进电机 可载重100KG的加强型精密导轨滑台 新款CBX系列滚珠丝杆线性导轨 客户定制带手轮双圆轴滚珠丝杆直线导轨 有效行程为1200MM的加强型双圆直线导轨 客户定制双滑块可独立运动线性导轨 客户定制有效行程为20MM的线性导轨 客户定制有效行程为200、600、1100mm的双线型导轨 客户个性化定制服务——双滑块导轨【视频资料】 非标定制加长型同步带导轨测试视频 梯形丝杆直线导轨和42电机的搭配使用 86大力矩电机+减速+导轨滑台测试应用视频 可定制型密闭同步带导轨承重测试 控制器 导轨滑台在雕刻机中的实例应用视 |