
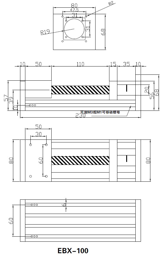
上图为时代超群光轴滚珠丝杆直线导轨,外加了一个风琴罩。客户使用环境杂质铁销比较多。这样有效的延长了导轨的寿命。时代超群EBX系列光轴线性滚珠直线导轨滑台,实现高速运行,精度可达0.03mm运行平稳!导轨水平载重50KG,垂直载重10KG,丝杆12MM,16MM可选,导程4MM,5MM, 10MM可选,丝杆速度可达到0-50mm/s。有效行程可以做到1米以内。可根据客户要求定制。 
风琴防护罩全称为柔性风琴式导轨防护罩,是机床防护罩的一种.风琴防护罩的形状可以根据实际需要设计成各种样式,尺寸可以根据实际需要制作,柔性风琴式防护罩,俗称皮老虎。外用德国尼龙布,内加PVC板支撑,两端装载用于固定的金属连接骨架或塑料连接骨架。此类护罩具有压缩小、行程长等优点。可耐油,耐腐蚀,硬物冲撞不变形;并具有寿命长,密封好,行走平稳,坚固耐用等特点,给机床的使用带来****效果。 
产品特点
1. 此类护罩具有不怕脚踩、硬物冲撞不变形、寿命长、密封好和运行轻便等特点. 2. 该产品使用专用的材料,耐冷却剂,防油、铁屑. 3. 护罩具行程长和压缩小的优点. 4. 护罩内没有任何金属零件,不用担心护罩工作时会出现零件松动而给机器造成严重的破坏。 导轨尺寸图: 
联系方式:QQ:467102884 电话:13811070445(刘女士) 相关文章: 可载重100KG的加强型精密导轨滑台 新款CBX系列滚珠丝杆线性导轨 客户定制带手轮双圆轴滚珠丝杆直线导轨 有效行程为1200MM的加强型双圆直线导轨 客户定制双滑块可独立运动线性导轨 客户定制有效行程为20MM的线性导轨 客户定制有效行程为200、600、1100mm的双线型导轨 客户个性化定制服务——双滑块导轨【视频资料】 非标定制加长型同步带导轨测试视频 梯形丝杆直线导轨和42电机的搭配使用 86大力矩电机+减速+导轨滑台测试应用视频 可定制型密闭同步带导轨承重测试 控制器 导轨滑台在雕刻机中的实例应用视 750w交流伺服电机驱动套装配HBX双线型导轨滑台 380V/1.8KW高压伺服电机110AHA18030-SH3 60系列交流伺服电机的市场应用 80系列交流伺服电机的市场应用 110系列交流伺服电机的市场应用 130系列交流伺服电机的市场应用 |