步进电机有优势在于,编程简单,接线少,故障也少,扭力大,但国内,步进电机通常情况都能达到600转。有些客户可能需要更好一点的转速,那么此时选择闭环步进电机是一个非常好的选择(****在1200转以下)

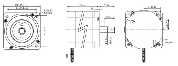
上图为一款电机及编码器及驱动高度集成一体式闭环电机一体机YT86EBP136ALC-TK0,静转矩6Nm,编码器1000P。8为位3.81插拔式接线端子。可CAN总线控制。 
时代超群闭环电机驱动已一体机采用增量式编码器的优点是构造简单,平均寿命长,抗干扰能力强,可靠性高,适合于连续运转高精度定位控制,而且此款电机体积小巧。机身长只有136MM,包含电机,编码器及驱动器,特别适合一些对空间体积有限制的设备中。

步进电机结合编码器大大提高步进电机的运转精度,高速性能更加突出,再结合驱动器,达到高度整合空间,使得产品更加节省空间。如下视频演示可以看出: 视频下载地址:链接:http://pan.baidu.com/s/1nvoQFkX 密码:x0ek 
内部设置良好的升降速曲线,使得电机高速换向更加平稳,不堵转,如下视频演示: 视频下载地址:链接:http://pan.baidu.com/s/1nvoQFkX 密码:x0ek 视频中使用了时代超群CM35D系列可编程控制器,是本公司****研制的CM35D系列运动控制器是CM35L系列控制器的升级版,控制器采用高性能32 位CPU,驱动装置采用细分步进电机或者伺服电机,配备液晶显示器,全封闭触摸操作键盘,系统具有高可靠性,高精度,噪音小,操作简单等特点 电机与控制器接口对应 
CAN-与CAN+,CAN控制口 EN-使能口 DR-方向口,接控制器的PD- PU-脉冲口,接控制器的PP- COM口 信号公共端,接控制器的PP+和PD+ DC+DC-电源口(输入DC24V-48V)
联系方式:QQ:467102884 电话:13811070445(刘女士) 
相关文章: 三相6NM高压闭环步进电机套装配直角蜗轮蜗杆减速机 HBX重型导轨高速承重100KG配86高压闭环步进电机驱动套装
60系列闭环系列电机和驱动如何搭配使用 86系列闭环系列电机和驱动如何搭配使用 强大的功率放大器——步进电机驱动器 ******的步进驱动器型号命名规则 60系列闭环系列电机和驱动如何搭配使用 86系列闭环系列电机和驱动如何搭配使用 强大的功率放大器——步进电机驱动器 3NM闭环步进电机驱动套装配导轨滑台 4NM闭环步进电机及驱动套装选择什么控制器比较好 8.5NM伺服式闭环步进电机如何选配减速机 闭环步进电机套装配滚珠丝杆导轨滑台解决你上不了高速的难题 57/86全闭环步进电机套装高速恒转矩步进电机+驱动器混合伺服 你所不知道的步进电机实现全闭环控制的技巧 ******的步进驱动器型号命名规则 什么是闭环步进电机? 闭环步进电机在工业自动化领域的应用前景看好 闭环步进电机和伺服电机在木工雕刻机中的应用 新款60、86系列闭环步进电机更新说明 |