
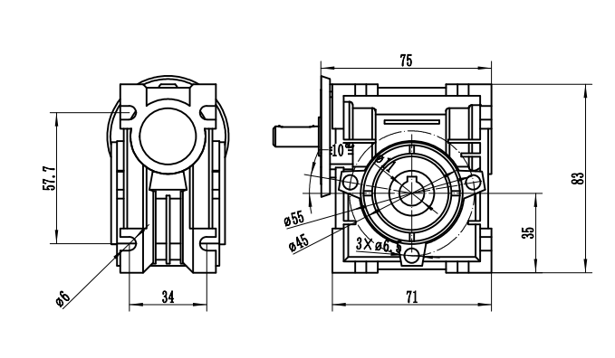
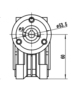
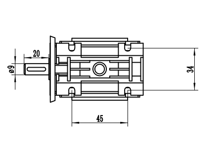
图为客户定做的带尾轴的RV25蜗轮蜗杆减速机, 速比多种可选:5 7.5 10 15 20 25 30 40 50 60 80 30速比以上具有反向自锁功能, 蜗轮蜗杆机械结构紧凑、体积外形轻巧、小型高效。 图纸如下: 
 
减速机额定承载能力: 
联系方式:13811070445(刘女士) 
相关文章: 20系列两相混合式步进电机 28系列两相混合式步进电机 35系列两相混合式步进电机 39系列两相混合式步进电机 42系列两相混合式步进电机 57系列两相混合式步进电机 57系列三相混合式步进电机 60系列两相混合式步进电机 86系列两相混合式步进电机 86系列三相混合式步进电机 110系列两相混合式步进电机 130系列三相混合式步进电机 110系列三相混合式步进电机
机床数控系统专用可编程逻辑控制器/PLC 新品推荐——机床数控系统CX200T功能介绍 使用进口原装高速智能芯片做为平台的CS10-3控制器接线说明 新品推荐——经济型步进电机控制器 CS10-3适用于各种环境恶劣环境的能控制器功能设置及说明(LP) 适用于传感器控制往返运动、定长控制和速度控制的控制器 具有高抗干扰能力的CS10-4控制器安装和接线示意图 体积小、可靠性高、寿命长、易于使用的单轴控制器 CS10系列单轴控制器性能比较
|