专业的微特电机产品发布平台
用户名: 密码: 注册
设为首页 加入收藏 联系我们
免费注册 企业免费建站
新技术论坛 会员产品发布
TB6600QQ群:70241714   步进电机论文   六轴工业机器人解决方案  
步进电机     驱动器     控制器     马达IC     伺服电机     无刷直流电动机     微特电机文献     工控器件     运动控制新产品     六轴工业机器人    
  六轴工业机器人应用案例  
  混合式步进电机选型手册  
  步进电机配套行星减速器  
  步进电机应用网  
  三轴桌面机械臂参数介绍  
  六轴工业机器人应用参数  
  东芝TB6600HQ/HG芯片  
  tb6600hq步进驱动芯片  
  论坛热帖  
  步进电机应用资料  
  价格****的86步进电机  
  60W无刷直流电机  
  100W无刷直流电机  
  48V,250W无刷直流电机  
  48V,550W无刷直流电机  
  步进驱动器芯片LV8731V  
  42/57直线T型滚珠丝杆电机  
  有霍尔直流无刷控制器  
  3相2轴步进驱动器  
  步进电机论坛  
  ZM-6618直流无刷驱动器  
  无刷直流电机选型  
  SCM6716MF直流无刷驱动芯片  
  86步进驱动器2HD8080  
  北京时代超群公司  
  稀土永磁直流力矩电机  
  永磁直流力矩电机  
  86双出轴电机  
  伺服电机知识  
  关于步进电机转速  
  步进电机转矩与功率换算  
  关于步进电机控制  
  关于步进电动机驱动  
  tb62209fg的开发应用  
  tb6588fg的应用资料  
  ET-DS100C型取断锥机  
  五自由度取断锥机  
  步进驱动器及产品  
  步进控制器产品  
  ****马达IC产品  
  无刷直流电机及控制器  
  微特电机论文  
  马达IC应用论文  
  步进电机网工控企业会员  
  步进电机网数控企业会员  
  步进电机网新闻动态  
  步进电机网会员产品信息  
  现货销售TB62214FG  
  现货销售三洋芯片LV8731  
  2轴步进驱动器ZD-8731-D  
  57步进驱动器外壳  
  时代超群无刷直流电机  
  步进电动机制造****技术  
  减速步进电机  
  无刷直流电机  
  无刷直流减速电机  
  35减速步进电机  
  减速步进电机系列产品  
  单轴步进电机控制器  
  多轴步进电机控制器  
  ******的步进控制器  
  信浓步进电机  
  电机联轴器  
  更多>>  
 
直角行星减速器/减速箱配57 86 110 130步进/伺服电机行星减速机 zyc
 
 

PXW系列减速机是我们公司新推出的直角行星减速机 保修2年,比市场行减速机要性价比高很多,价格便宜将近2-3倍!

减速机速比可选 一级速比 3  4  6  10 系列

二级速比 16 20  24 30 36 系列

三级速比  64  96  125  256等 系列

PXW57系列直角行星减速机图纸


PXW60系列直角行星减速机图纸

PXW86系列直角行星减速机图纸

PXW110步进系列直角行星减速机图纸

PXW110伺服系列直角行星减速机图纸

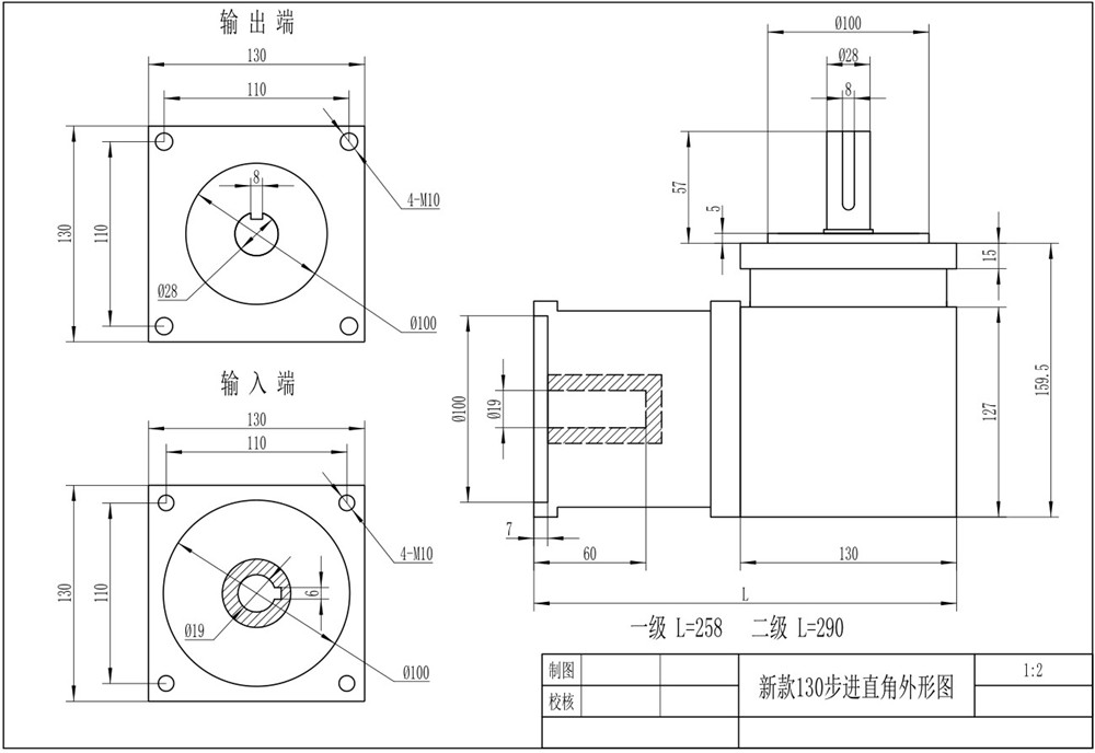
PXW130步进系列直角行星减速机图纸


PXW130伺服系列直角行星减速机图纸

image.png


 
高精线性模组 上海生化培养箱 大容量恒温摇床 振动筛网 计价秤 液压剪板机 孵化机 箱式炉
物联网设备 步进电机 除氧器 造纸设备 步进驱动器 深圳机械加盟 带式干燥机 硫酸泵
直流屏 激光打标机 机械论文 中国控制阀网-调节阀 移动式升降机 食品机械网 电机 电子称
酷刻刻字机 中国电动滚筒网 北京时代超群 中国数控机床维修网 超声波裥棉机 步进电机论坛
设为首页  |  加入收藏  |  关于我们  |  站长留言  |  广告服务  |  友情链接申请  |  网站介绍
网站实名:步进电机网 步进电机驱动器网 微特电机网 网站地图 新闻中心
版权所有:北京时代四维科技有限公司 © Copyright By www.zgbjdj.com
京ICP备11042559号-1