
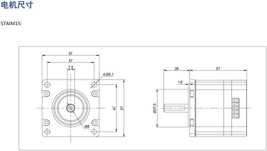
上图为时代超群57AIM系列电机驱动一体式伺服电机,伺服电机体积小巧,同步性能好。集电机驱动一体,可以485通信,CAN总线通讯,电机功率有50W,100W。额定转速分为:1000转和2500转两种。扭矩0.24NM,0.48NM,0.96NM。采用的是单圈15位磁电编码器,默认是32768个脉冲转一圈,也可以根据客户要要求设定好。 





联系方式:QQ:75365175 电话:13581674324 42AIM系列伺服电机驱动一体机一体伺服(GOC) 42AIM系列电机驱动一体伺服的驱动器接口定义(GOC) 42AIM系列电机驱动一体伺服的状态指示与报警(GOC)
|