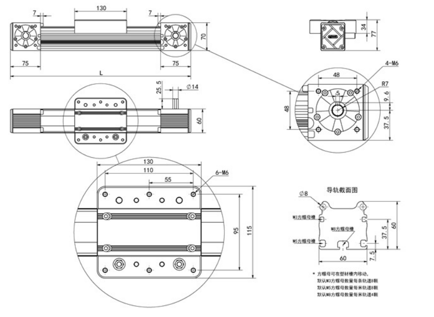
产品参数 导轨规格:60*60mm 导轨材质:铝合金+轴承钢 滑块规格:130*115mm 滑块材质:铸铝+4轴承U槽轮(直径25mm),全封闭防尘免维护结构 长度:4米内任意尺寸 直径/扭拧度<=0.03/300mm 每米重复定位精度:0.1mm ****扭矩:50N.m ****速度:15m/s ****容许栋梁:25kg。m/s 水平****承载力:1000N 垂直****承载力(提升力):500N 导轨材质:铝合金+轴承钢 导程(同步轮周长):125mm(电机转动一圈滑块移动距离) 同步带规格:聚氨酯钢线HTD5m,宽度25mm 同步带轮齿数:25齿 颜色:哑香槟色 重量:约5kg/m 
60模具尺寸图

产品参数

应用领域

行业:机械制造、冶炼、轻工、石化、建材、制药、电力、环保等等。 应用:焊接机、自动宋辽、零件加工、打孔等等。 
时代超群王工:13146810751 |