时代超群DS45/60同步带采用高刚度铝合金做机体;运行速度快,****可到15米/秒;有效行程大,最长可做到3米;可任意组装,接收非标定制;具有高等级机械效率;摩擦系数小,噪音低,维护少。 根据客户要求可实现X,XY,XYZ,XYZR不同模组搭配,这些搭配中会设计一些相关的配件今天来介绍一下: 
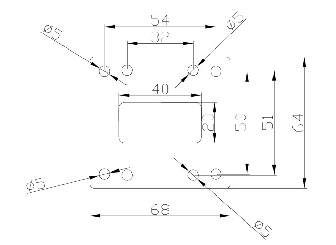
45同步带地脚 
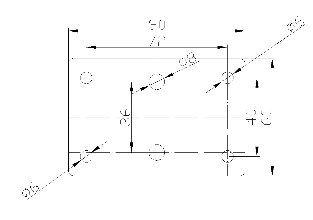
60同步带地脚 45/60同步带尺寸图


时代超群同步带导轨广泛应用于喷涂、点胶、焊接、贴片、切割、喷绘、搬运、多维机械手及其它各种需求直线传动行业。 
联系方式:QQ:467102884 电话:13811070445(刘女士)
相关文章: 2.8NM步进电机驱动套装搭配60同步带导轨运行稳定(LP) 密闭型高效同步带导轨搭配400W伺服电机可1米每秒高速运行(LP) 高速60型材宽同步带导轨滑台模组及相关配件的应用(LP) XYZ同步带直线导轨导轨模组用于3D打印机机模型(LP) DS45M75密闭同步带导轨搭配1.5NM闭环步进电机高速性能****(LP) 可垂直负载5KG的同步带直线导轨滑台及配套产品选择(LP) 低压伺服电机搭配同步带导轨适合高转速,低噪音的场合(LP) 120W高速闭环无刷电机搭配同步带导轨轻松实现每秒一米的往复运动(LP) 双滑块60同步带导轨滑台可配80伺服电机高速运行(LP) 42闭环步进电机带密闭同步带导轨滑台高速性能提升一倍(LP) 600W交流伺服电机带动两根同步带导轨共同负载30KG物体运动(LP) |