
122323 


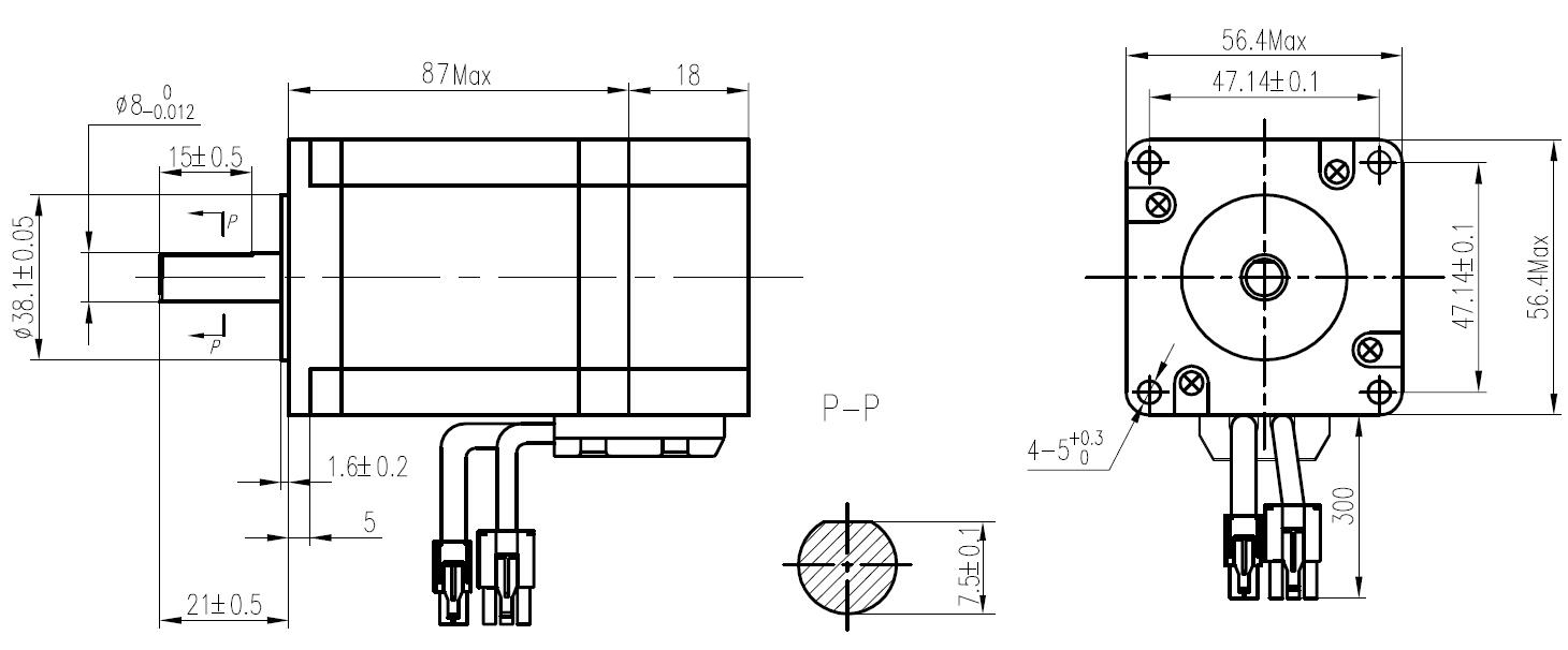
采用全新 32 位电机控制专用双核 DSP 芯片; 采用先进的矢量电流及速度和位置闭环控制算法; 静态电流和动态电流比例可以任意设置(0---7A 范围内); 可驱动 42-60 全系列二相混合式步进伺服电机; 电机标配 1000 线高精度编码器; 光耦隔离差分信号输入; 脉冲响应频率****可达 300KHZ; 细分 16 档设定(400-51200),特殊细分可按客户要求更改; 具有过流、过压、超速、过热、跟踪误差超差等保护功能; 支持指令控制模式; 集成 RS232 通信功能,并且支持 PC 端软件调试参数; 配套 定位稳定,即使受到外部力量影响,如机械振动或垂直定位保持,也 会自动回复到原位; 采用 ****额定转矩来驱动电机,而传统开环步进电机为避免失步问 题,通常只会用 50%额定转矩来驱动电机; HBS57 的控制电流依负载而定,电机能在高速下运行,而传统步进电 机无论荷重,一律使用恒定电流,因此能效大大提高; 由于电机转矩输出没有损失,所以电机的体积相比原来的开环系统降 低 1-2 档,从而使电机的安装尺寸更小,系统成本下降; ●优于交流伺服电机驱动器的特点: 无需调整增益(应负载变化自动调整增益); 维持稳定的位置控制,定位完成后无抖动; 可以实现快速定位,加减速曲线可以更陡,从而提高加工效率; 擅长在快速短行程运动中持续运行; 成本只是交流伺服系统的 30%-50%; 联系人史先生15901412432
|