一、系统特点
l 控制轴数 :单轴; l 指令特点 :任意调速 l 输出频率 :32 KHz l 频率 :299 HZ l 手动运行功能 :正反转、调速控制; l 电源 :DC 12V-24V l 转接板可外接电位器 ,转接板也自带点位器(电位器10K) l 可接正限位负限位 l 限位模式可切换 (第一种限位是:碰到任何限位都减速停止。第二种限位是:碰到A限位减速停止朝B限位 方向转动,碰到B限位减速停止朝A限位方向转动无限循环转动。) l 自带升降速功能(升降速值不可调)
二、使用说明
l 按键介绍:本控制器有三个按键,从左到右三个分别定义为 OK键(暂停键)、左键(负坐标方向键和减速键)、右键(正坐标方向键和加速键) l 方向控制:控制器与电机配套驱动器连接好后上电,按下左键电机启动,此时电机正向转动;按下暂停键电机减速停止,按下右键电机启动,此时电机反向运动。 l 速度控制:当本控制器控制步进电机运行时,此时按下左键电机转速降低,长按左键,可快速使转速下降;按下右键转速增加,长按右键,可快速使转速上升。
注:(正反转切换时需将步进电机按OK键暂停)
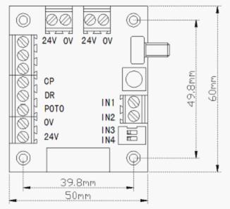
l 转接板 
名称 | 说明 | 0V | 3个0V,任意一个0V都可以作为输入电源负极,其余两个则为输出0V | 24V | 3个24V,任意一个24V都可以作为输入电源正极,其余两个则为输出24V | OPTO | 5V公共端;接驱动器信号端的脉冲+和方向+ | DR | 方向信号;接驱动器信号端的 方向— | CP | 脉冲信号;接驱动器信号端的 脉冲— | IN1 | 限位(IN1和转接板0V短接,限位有效) | IN2 | 限位(IN2和转接板0V短接,限位有效) | IN3 | 限位模式切换;拨码off状态一种模式,拨码on状态另一种模式(模式介绍详见产品特点第九条) | IN4 | 调速模式切换;IN4 off状态时控制器面板按键调速on状态时电位器调速(转接板上电位器调速,可以选择两种方式,第一种是转接板自带电位器调速,第二种是可外接电位器调速,电位器10k,内部和外接用转接板按钮切换) |
数码管实时显示频率 
买.就配送转接板 控制器接线到驱动器到电源,到驱动器 到外接电位器更方便直接引线。。。 还有脉冲指示灯和方向灯哦.... 
增加了限位功能...光有限位也是远远不行的还有限位模式切换。 1种限位是当IN1开关有效时电机停止 另1种是当IN1开关有效时电机往另一个方向转动 IN1和IN2可控制器不同方向限位 还可以电位器调速 如果你的手上没有电位器可以用转接板自带电位器 如果向外接的话也有接口的哦。可以用按钮自动切换的

控制器只要上电源就会亮 我们有保修 2年服务请放心购买 我们只挣名誉和口碑 
接线图 
|