
低压无刷驱动器DBLS-02-C,具有PID速度,电流双环调节器,支持20KHZ斩波频率,支持485通讯、CAN总线通讯速度分档功能,拨码开关可设置不同速度档,可启/停控制,正/反转控制,具有电机刹车功能,使电机反应迅速堵转保护,响应速度快,控制精度高,过载倍数大于2,具有过压、欠压、过流、过温、霍尔信号非法等故障报警功能。 
驱动器接线定义: 
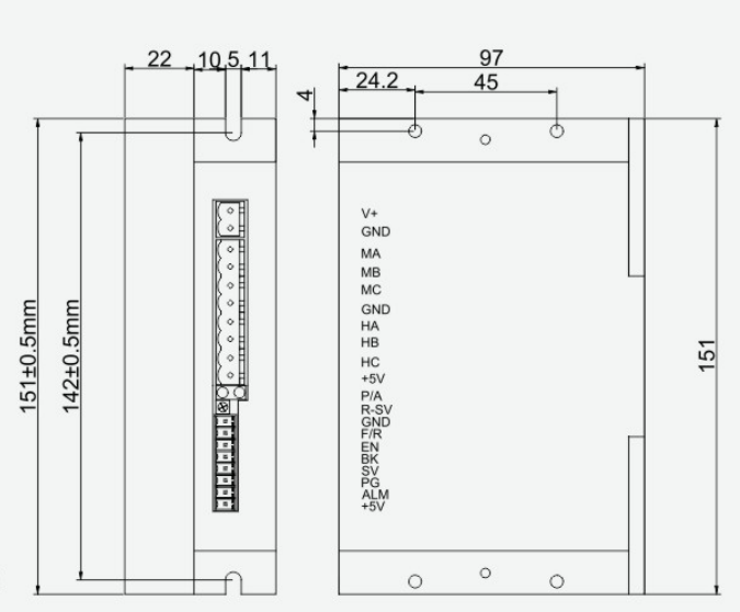
产品尺寸图如下:

联系方式:13811070445(刘女士) 淘宝店铺: 

相关文章: 2.8NM步进电机驱动套装搭配60同步带导轨运行稳定(LP) 密闭型高效同步带导轨搭配400W伺服电机可1米每秒高速运行(LP) 高速60型材宽同步带导轨滑台模组及相关配件的应用(LP) XYZ同步带直线导轨导轨模组用于3D打印机机模型(LP) 可垂直负载5KG的同步带直线导轨滑台及配套产品选择(LP) 低压伺服电机搭配同步带导轨适合高转速,低噪音的场合(LP) 120W高速闭环无刷电机搭配同步带导轨轻松实现每秒一米的往复运动(LP) 双滑块60同步带导轨滑台可配80伺服电机高速运行(LP) 42闭环步进电机带密闭同步带导轨滑台高速性能提升一倍(LP) 600W交流伺服电机带动两根同步带导轨共同负载30KG物体运动(LP) |