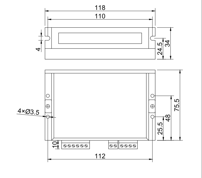
57两相混合式步进驱动器功能简单介绍 产品特点: 供电电压可达 50V 输出电流峰值可达 4.2A 三态电流控制技术电机发热低 外形尺寸小巧(118×75.5×34mm) 细分精度 2,4,5,8,10,16,20,25,32,40,50,64,100,125,128 可选 细分调试: 
保护功能: 过压保护
电机线圈匝间短路保护 电机错相保护
常见问题: 1、电机不转:(可能原因: 1、指示灯无显示:检查供电是否正常)(2、故障指示灯亮:检查驱动器是否过流、过热) (3、电机轴有力:脉冲信号弱,信号电流加大) 2、电机堵转: (可能原因: 1、加速时间太短:加长加速时间或增大驱动器脉冲滤波常数) (1、电压偏低或电流太小 :适当提高电压或电流) 3、位置不准: (可能原因: 1、电机负载过大:更换电机或适当增大驱动器运行电流) (2、信号受干扰 :排除干扰) (3、电机线有断路 :检查并接对) 4、电机转向错误:(电机线接错:任意交换电机同一相的两根线) 5、报警指示灯亮: (可能原因:1、电机或驱动器损坏 2、电压过高或过低 )
尺寸图: 
QQ联系:

微信联系方式: 
联系电话:18310587844
淘宝店铺链接:

|