专业的微特电机产品发布平台
用户名: 密码: 注册
设为首页 加入收藏 联系我们
免费注册 企业免费建站
新技术论坛 会员产品发布
TB6600QQ群:70241714   步进电机论文   六轴工业机器人解决方案  
步进电机     驱动器     控制器     马达IC     伺服电机     无刷直流电动机     微特电机文献     工控器件     运动控制新产品     六轴工业机器人    
 当前位置:首页--机器人--
承载3KG的四轴机械臂在打螺丝设备中的应用(LP)
2021年1月25日

image.png

上图为客户定做的打螺丝设备,采用SCARA工业四轴机械臂,此机械臂负载3kg,为全金属结构,4个自由度;材质为铝合金(表面阳极氧化喷砂处理)。机械臂结构设计简洁紧凑,外形美观。

image.png

image.png

打螺丝的话,只能用三轴。

image.png

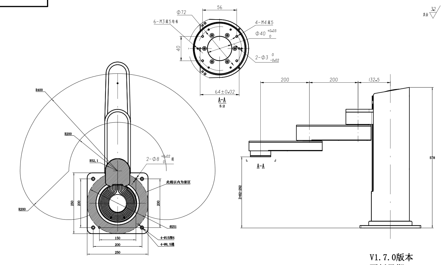
产品尺寸图如下:

image.png


广泛应用到如下设备:电路板焊接,点胶,搬运应用,打螺丝,激光雕刻,3D打印等场合

详情.jpg

联系方式:QQ:467102884  电话:18710050116(刘女士)


相关文章:

新款SCARA工业机械臂四轴平面关节机械臂承载能力3KG(LP)


桌面四轴机械臂上电定位发现机械臂震动如何解决?(LP)


客户设备定做桌面四轴机械臂带旋转控制可抓取4KG重物(LP)


加强型三轴高精度机械臂机械手4kg大负载工业机器人(LP)


客户机械臂用一体低压伺服电机57D2R1010-SJ0如何解除堵转报警(LP)


流水线专用带旋转爪子的小型桌面四轴机械臂(LP)


客户开发简易机械臂用小体积电机驱动一体式直流伺服电机(LP)


可负载3-10kg四轴水平 搬运机器人/机械臂(LP)


CM40系列控制器示教编程在机械臂中的应用(LP)


关于2.5kg高承载机械臂JXBH-W58025电动爪子的使用(LP)


带限位功能的小型桌面机械臂可承载1KG以内负载(LP)


可手机APP示教编程控制傻瓜式工业机械臂(LP)


带电动机械爪可抓取2.5KG物体的小型智能机械臂(LP)



设为首页   |   加入收藏   |   联系我们   |   站长留言   |   广告服务   |   友情链接   |   免费展示
网站实名:步进电机网 步进电机驱动器网 微特电机网 网站地图 新闻中心
版权所有:北京时代四维科技有限公司
© Copyright By www.zgbjdj.com
京ICP备11042559号-1