
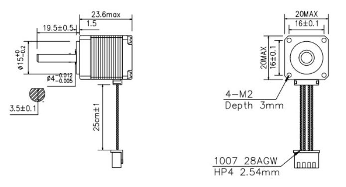
上图为一款体积小巧28法兰步进电机28HBD50BL4-TF0步进电机,步距角1.8°,工作电流1A,保持转矩:0.18Nm。电阻5.5Ω,电感5.6MH,温升85K Max,转子惯量18g.cm2,环境温度-40℃-+55℃,绝缘等级:B级,这款电机可用于贴片机。 产品尺寸图如下: 
线序图如下:  
可搭配ZD-2HD440WLM

ZD-2HD440WL驱动是TB6600的升级版本TB67S109,细分加高至32细分,适合高细分用途。适用步进电机:42、57型的2相4相(4线6线8线) 产品特点:
1、9V-42V直流供电; 2、H桥双极恒相流驱动; 3、****4.0A的八种输出电流可选;(友情提示:电机电流大于2A以上请慎用。) 4、****32细分的6种细分模式可选; 5、输入信号高速光电隔离; 6、标准共阳单脉冲接口; 7、脱机保持功能; 8、半封闭式机壳可适应更严苛的环境; 9、提供节能的半自动电流锁定功能; 10、内置温度保护和过流保护。
使用及参数说明示意图: 
产品尺寸图: 
联系方式:QQ:467102884 电话:13811070445(刘女士)
相关文章:
减速比为1:30的永磁减速小电机及配套驱动器(LP) 1:120减速比永磁减速电机配128细分驱动器及可编程单轴步进控制器DY-IS(LP) 0.8NM减速比为1:50的永磁减速电机42YF22GN050S-TF0(LP) 57大扭矩蜗轮蜗杆减速步进电机搭配16细分4.2A高性能数字驱动器(LP) 应用范围超级广的小齿轮减速电机系列
步进电机配减速的案例解析 42系列两款特殊减速比的减速步进电 |