时代超群步进电机采用优质冷轧硅钢片和耐高温永磁体制造,采用业界先进的磁路设计方案,具有输出转矩大、温升低、可靠性高的特点。具有良好的内部阻尼特性,运行平稳,无明显振荡区。 今天介绍一款贴片机,打印机常用28小型步进电机 
28HBP30BJ4-TR0步进电机,步距角1.8°,工作电流0.67A,保持转矩:0.06Nm。电阻5.4Ω,电感3.9MH,温升85K Max,环境温度-40℃-+55℃,绝缘等级:B级,这款电机可用于贴片机。可搭配ZD-2HD320数字式小型驱动器 
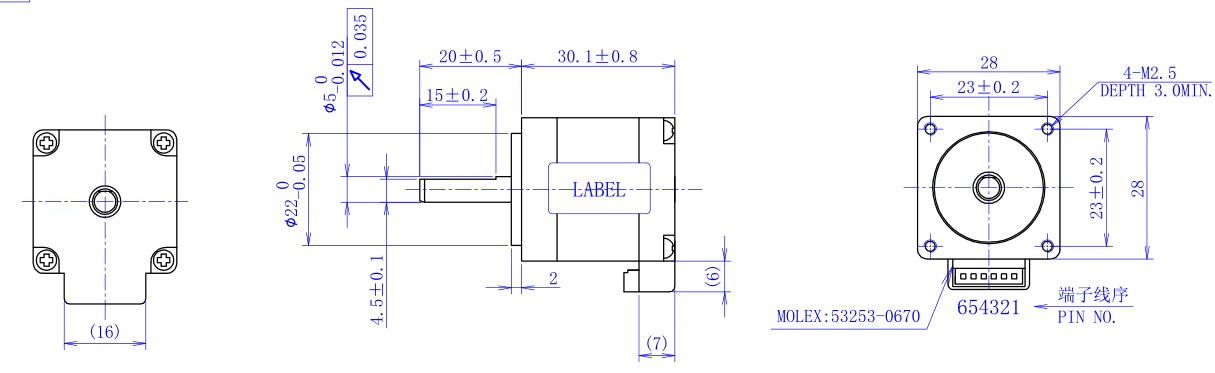
产品尺寸图如下: 

可搭配时代超群ZD-2HD320,其采用DSP控制技术研发的细分型高性能步进电机驱动器,适合驱动任何中小型2.0A相电流以下两相或四相混合式步进电机。由于采用新型的双极性恒流斩波驱动技术,使用同样的电机时可以比其它驱动方式输出更大的速度和功率。 
ZD-2HD320的细分功能使步进电机运转精度提高2-64倍。每秒两万次的斩波频率,可以消除驱动器中的斩波噪声。另一特有的功能是静止自动减流:当电机处于停止状态时,输出电流 可自动降至较低值,从而减少电机和驱动器的发热。 注意:此款驱动不支持差分信号,可搭配PLC或者带公共端的控制器使用,推荐一款无需编程,可多圈电位器调速控制。 
为时代超群CS10-3脉冲发生器可以控制步进电机,伺服电机,电机转速0-1000转每分钟,方波,无极可调。外接启停、方向可以实现外部控制,具有调速、定长功能。  联系方式:QQ:467102884 电话:18710050116(刘女士)
相关文章: 20系列两相混合式步进电机 28系列两相混合式步进电机 35系列两相混合式步进电机 39系列两相混合式步进电机 42系列两相混合式步进电机 57系列两相混合式步进电机 57系列三相混合式步进电机 60系列两相混合式步进电机 86系列两相混合式步进电机 86系列三相混合式步进电机 110系列两相混合式步进电机 130系列三相混合式步进电机 110系列三相混合式步进电机
机床数控系统专用可编程逻辑控制器/PLC 新品推荐——机床数控系统CX200T功能介绍 使用进口原装高速智能芯片做为平台的CS10-3控制器接线说明 新品推荐——经济型步进电机控制器 CS10-3适用于各种环境恶劣环境的能控制器功能设置及说明(LP) 适用于传感器控制往返运动、定长控制和速度控制的控制器 具有高抗干扰能力的CS10-4控制器安装和接线示意图 体积小、可靠性高、寿命长、易于使用的单轴控制器 CS10系列单轴控制器性能比较
|