
上图为客户订购的一套时代超群的减速无刷电机,电机采用的是60W直流无刷电机42BL50S03-230TR9 电机功率为60W,电压24V,额定转速3000转,空载转速5200转,额定扭矩0.19NM,电机采用高磁能积的稀土钕铁硼(Nd-Fe-B)材料,性能可靠、磨损小、故障率低,寿命比有刷电机提高了约6倍. 
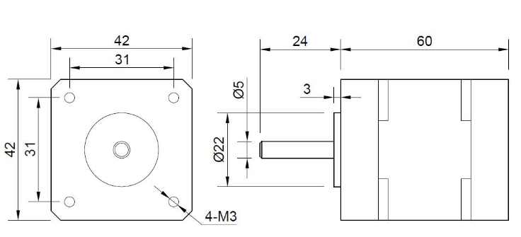
这款电机的体积小。静音效果好,具体尺寸如下:

在输出力矩不够的情况下客户加装了一个8速比的行星减速机PL40N008SW 
PL精密行星减速机精度更高,回差****可到3弧分,固定牢固稳定,无间隙。精密行星减速机具有高刚性、高精度(单级可做到1分以内)、高传动效率(单级在97%-98%)、高的扭矩/体积比、终身免维护等特点。多数是安装在步进电机和伺服电机上,用来降低转速,提升扭矩,匹配惯量。 
30W无刷电机配8速比减速机输出扭矩为0.19NM*8速比*95%效率=1.44NM<5NM(减速机输出的额定扭矩),因此此款搭配可以输出1.44NM的力。

那么如何给电机搭配适当的驱动器呢。我公司提供驱动配套服务。为你选择合适的驱动器。60W/24V=2.5A,选配的驱动电压要大于24V,电流大于2.5A*2峰值电流,选择ZM-6405E,效果更好

ZM-6405E是我公司基于****BiCD工艺集成电路开发的高性能直流无刷控制器(驱动器),具有体积小、发热低、可靠性高、寿命长、易于使用等特点。 产品的特点及功能: ·高集成度高可靠性无刷直流(BLDC)电机控制器 ·三相全桥,PWM斩波方式 ·闭环稳速,大负载时电机仍能保持转速 ·纯硬件设计,高速度,高抗干扰能力 ·周波限电流方式,保护更加精确快速 ·低发热,大功率 ·欠电压(≤13V)、过热(>150℃)自动保护 ·堵转6秒自动保护 ·霍尔错误保护 ·输出限流线性可调:0.5-5A ·支持内置电位器、外接电位器、模拟电压和PWM调速 ·带有使能功能 ·具有缓启动功能,避免电流过冲,有效保护电机
联系方式:QQ:467102884 电话:18710050116(刘女士)
相关文章:
500W/4500转高速直流无刷电机配30A位置速度闭环控制驱动器 750W高压直流无刷电机配10速比行星减速机及5A低发热驱动器输出扭矩19NM 785W大功率直流无刷电机48V配24速比行星减速机输出每秒2转左右 210W直流无刷电机配4速比行星减速机及大电流无刷控制器 24V/180W直流无刷电机配8A驱动器配蜗轮蜗杆减速机 550W/1500转直流无刷电机配行星减速机和大电流高压控制器 100W直流无刷电机驱动套装配RV30蜗轮蜗杆40速比减速 高性能直流无刷驱动器ZM-7206接线示意图 80系列无刷电机专配高压无刷驱动器 24V直流无刷电机哪个好?有没有配套驱动器? 直流无刷电机的电机长度是否可以定做? 经济实用型350W直流无刷电机有哪种?配套产品有哪些? 无刷电机转速波动幅度较大是什么原因? 36V直流无刷电机哪个好?配套产品有哪些? 哪的直流无刷电机即实用又比较实惠? 电动航模都用什么电机? 吸尘器通常用的什么电机?用什么电机****? 57系列无刷直流电机怎么显示转速 |