
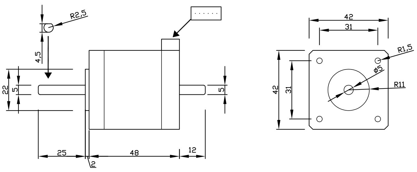
上图为时代超群双出轴42步进电机42HBD48BJ4-DFH2,电机步距角1.8° 扭矩0.52N.m,电流1.7A,机身高48MM,轴径Φ5/Φ5,D轴/圆轴,出轴长27mm/12mm,具体产品尺寸图如下。广泛适用范围于激光、医疗、纺织、安防等行业。 
搭配新款时代超群ZD-2HD320数字式驱动器,出力大,效果平稳,能更好的发挥电机的性能。适合各种小型自动化设备和仪器,例如:气动打标机、贴标机、割字机、激光打标机、绘图仪、小型雕刻 机、灌装机械、数控机床、拿放装置等。在用户期望低振动、小噪声、高精度、高速度的小型设备中效果 特佳。 
ZD-2HD320采用DSP控制技术研发的细分型高性能步进电机驱动器,适合驱动任何中小型 2.0A 相电流以下两相或四相混合式步进电机。由于采用新型的双极性恒流斩波驱动技术,使用同样的电机时可以比其它驱动方式输出更大的速度和功率。 ZD-2HD320的细分功能使步进电机运转精度提高2-64倍。每秒两万次的斩波频率,可以消除驱动器中的斩波噪声。另一特有的功能是静止自动减流:当电机处于停止状态时,输出电流 可自动降至较低值,从而减少电机和驱动器的发热。 产品特性: * 供电电压 DC12-36V * 驱动电流 0.3-2.0A * 细分精度 2- 64细分可选 * 光隔离信号输入 * 电机噪声优化功能 * 可驱动任何 2.0A 相电流以下两相、四相混合式步进电机 * 20KHz 斩波频率

上图为时代超群CS10-3脉冲发生器可以控制步进电机,伺服电机,电机转速0-1000转每分钟,方波,无极可调。外接启停、方向可以实现外部控制,具有调速、定长功能。 具体接线图如下: 
联系方式:QQ:467102884 电话:13811070445(刘女士)
相关文章: 20系列两相混合式步进电机 28系列两相混合式步进电机 35系列两相混合式步进电机 39系列两相混合式步进电机 42系列两相混合式步进电机 57系列两相混合式步进电机 57系列三相混合式步进电机 60系列两相混合式步进电机 86系列两相混合式步进电机 86系列三相混合式步进电机 110系列两相混合式步进电机 130系列三相混合式步进电机 110系列三相混合式步进电机 关于控制器如何接限位开关的示例——DY-IS为例(LP)
机床数控系统专用可编程逻辑控制器/PLC 新品推荐——机床数控系统CX200T功能介绍 使用进口原装高速智能芯片做为平台的CS10-3控制器接线说明 新品推荐——经济型步进电机控制器 CS10-3适用于各种环境恶劣环境的能控制器功能设置及说明(LP) 适用于传感器控制往返运动、定长控制和速度控制的控制器 具有高抗干扰能力的CS10-4控制器安装和接线示意图 体积小、可靠性高、寿命长、易于使用的单轴控制器 CS10系列单轴控制器性能比较 |