
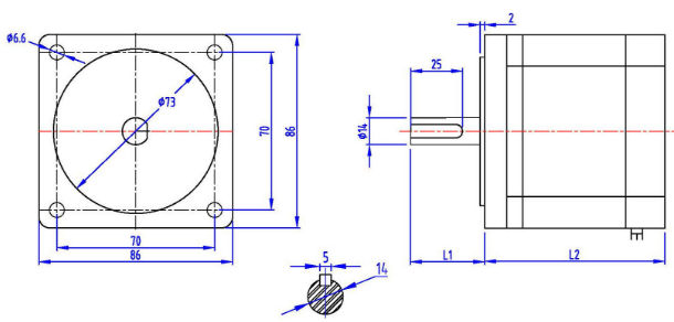
上图为客户定制第一款加长轴86HBP98AL4-TK0两相混合式步进电机,步距角1.8°,扭矩7.5N.m,电流4A,机身高98MM,轴径Φ14MM,键5,出轴长34mm。具体尺寸图如下: 
其中机身长L2为98MM,L1出轴长为50MM。 这款电机如何搭配驱动器呢,有三款驱动器可以选用。 如果客户速度要求不高。负载不大的话,可以使用下面这款

86HBP98AL4-TK0+ZD-2HD542 ZD-2HD542是我公司采用自主研发的高性价比的细分驱动器,特别适合大批量低成本用途,同时具有优越的性能。由于采用了三态控制技术,比市面上大多数驱动器的电机噪音和电机发热均有明显改善。此驱动器的细分多达十五种,SW4 可设置静止半流,极大地减小了电机发热。具有更宽的电流和电压。电机发热和噪音也明显改善,高速性能也较大提升,驱动器的尺寸也较小,和市面上的驱动器相比,****竞争力和吸引力。 ZD-2HD542两相步进电机驱动器低价格,高速力矩大;供电电压可达50V;输出电流峰值可达4.2A(均值3.0A);三态电流控制技术电机发热低;静止电流自动减半0.4S 减小为60%;可驱动4,6,8 线两相步进电机;光隔离差分信号输入,脉冲****响应频率****可达200KHz;细分精度128可选;外形尺寸小巧;电流设定方便,八档可选;4 位拨码,共15 档细分;具有过压、短路等保护功能;双极恒流PWM 驱动输出。 如果客户要求负载比较大,可以选用ZD-2HA860

驱动ZD-2HA860两相步进电机驱动器接口采用超高速光耦隔离;抗高频干扰能力强;16种不同细分任意切换;自动半流锁定;8 档电流可调;支持脱机、使能、锁定等功能;过压、欠压、过流保护。 如果客户应用于一些特殊场合,需要特殊的参数,比如高速的时候输出力矩更大等。可以选用如下产品
 ZD-HA1072M 是基于DSP 控制的两相步进电机驱动器。它是将先进的DSP 控制芯片和独特的控制电路结合一起所构成的新一代全数字步进电机驱动器。驱动电压为AC40-100V,DC60-140V,适配电流在7.2A 以下、外径57-110mm 的各种型号的两相混合式步进电机。该驱动器内部采用类似伺服控制原理的电路,此电路可以使电机运行平稳,几乎没有震动和噪音。定位精度****可达40000 脉冲/ 转。该产品广泛应用于雕刻机、中型数控机床、电脑绣花机、包装机械等分辨率较高的大、中型数控设备上。
此款驱动器DSP控制器芯片和控制电路结合所构成新一代数字驱动器,电压为交流AC24-100V,电流7A,设有16档细分 定位精度****位每分钟40000脉冲/转,有断电相位记忆功能,驱动器可以针对不同电机调节电感量 让电机效果发挥达到****化 适合:中,低转速 高性能 低价格 低振动 低噪音 步进脉冲停止超过100MS时,线圈电流自动减到设定电流的一半。细分可以定制设定。搭配86的步进电机比一般的驱动器,效果提升更好 ,输出力矩更大,性能更稳定。联系方式:QQ:467102884 电话:13811070445(刘女士)
相关文章:
86系列两相混合式步进电机 经济型86系列普通行星减速器 不掉色、不生锈的步进电机固定支架、安装座 86系列精密行星减速器有哪些? 两相86系列电机在中高速运行状况下如何选择合适的驱动器? 86系列步进电机+控制系统【附加视频】
双出轴的步进电机有哪些? 双出轴步进电机的应用前景 什么是步进电机? 步进电机的分类及区别 步进电机有哪些特点?
|