专业的微特电机产品发布平台
用户名: 密码: 注册
设为首页 加入收藏 联系我们
免费注册 企业免费建站
新技术论坛 会员产品发布
TB6600QQ群:70241714   步进电机论文   六轴工业机器人解决方案  
步进电机     驱动器     控制器     马达IC     伺服电机     无刷直流电动机     微特电机文献     工控器件     运动控制新产品     六轴工业机器人    
 当前位置:首页--步进电机--
一体式步进电机,经济实用 (LMD)
2017年12月12日

image.png

image.png

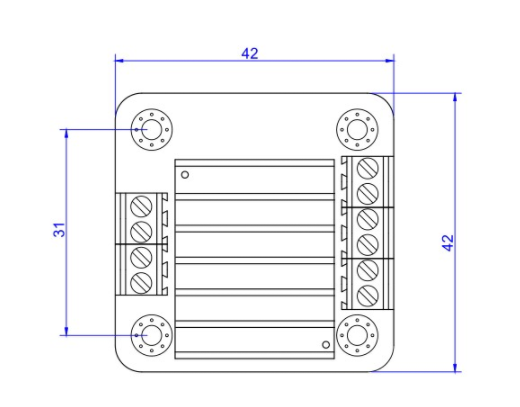
  板式步进驱动器 两相步进电机驱动器 驱动42电机以内电机 可安装到步进电机后盖处,方便 节省空间等

产品特点

   高集成度高可靠性

  • 接口采用超高速光耦隔离

  • 抗高频干扰能力强

  • ****输入电压:DC 32V(峰值)

主要功能

  • 整步、二细分、四细分、十六细分可调

  • 过热自动保护

  • 输出限流线性可调:0A-1.7A

  • 自动半流锁定

  • 具有短路保护功能

  • 支持脱机、使能、锁定等功能

image.png

image.png

                                                                                                  联系人:李先生

                                                                                                  联系方式:137 1667 9775 

                                                                                                  微信:LZ17184

                                                                   

设为首页   |   加入收藏   |   联系我们   |   站长留言   |   广告服务   |   友情链接   |   免费展示
网站实名:步进电机网 步进电机驱动器网 微特电机网 网站地图 新闻中心
版权所有:北京时代四维科技有限公司
© Copyright By www.zgbjdj.com
京ICP备11042559号-1