专业的微特电机产品发布平台
用户名:
密码:
注册
设为首页
加入收藏
联系我们
免费注册
企业免费建站
新技术论坛
会员产品发布
TB6600QQ群:70241714
步进电机论文
六轴工业机器人解决方案
步进电机
驱动器
控制器
马达IC
伺服电机
无刷直流电动机
微特电机文献
工控器件
运动控制新产品
六轴工业机器人
六轴工业机器人应用案例
混合式步进电机选型手册
步进电机配套行星减速器
步进电机应用网
三轴桌面机械臂参数介绍
六轴工业机器人应用参数
东芝TB6600HQ/HG芯片
tb6600hq步进驱动芯片
论坛热帖
步进电机应用资料
价格****的86步进电机
60W无刷直流电机
100W无刷直流电机
48V,250W无刷直流电机
48V,550W无刷直流电机
步进驱动器芯片LV8731V
42/57直线T型滚珠丝杆电机
有霍尔直流无刷控制器
3相2轴步进驱动器
步进电机论坛
ZM-6618直流无刷驱动器
无刷直流电机选型
SCM6716MF直流无刷驱动芯片
86步进驱动器2HD8080
北京时代超群公司
稀土永磁直流力矩电机
永磁直流力矩电机
86双出轴电机
伺服电机知识
关于步进电机转速
步进电机转矩与功率换算
关于步进电机控制
关于步进电动机驱动
tb62209fg的开发应用
tb6588fg的应用资料
ET-DS100C型取断锥机
五自由度取断锥机
步进驱动器及产品
步进控制器产品
****马达IC产品
无刷直流电机及控制器
微特电机论文
马达IC应用论文
步进电机网工控企业会员
步进电机网数控企业会员
步进电机网新闻动态
步进电机网会员产品信息
现货销售TB62214FG
现货销售三洋芯片LV8731
2轴步进驱动器ZD-8731-D
57步进驱动器外壳
时代超群无刷直流电机
步进电动机制造****技术
减速步进电机
无刷直流电机
无刷直流减速电机
35减速步进电机
减速步进电机系列产品
单轴步进电机控制器
多轴步进电机控制器
******的步进控制器
信浓步进电机
电机联轴器
更多>>
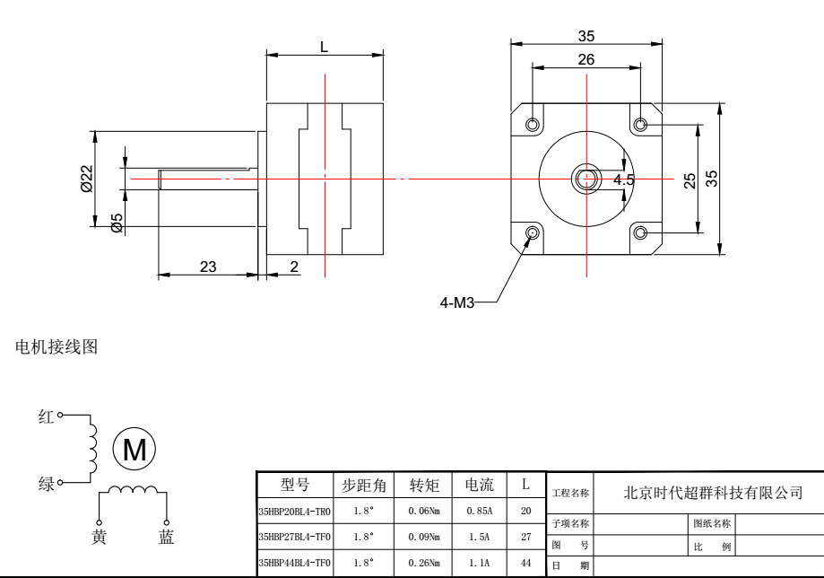
当前位置:首页--步进电动机型号大全--两相步进电动机型号大全
35HBP27BL4-TF0(LKD)
2017年8月25日
·产品外观
·基本参数
·产品尺寸
>
该型号由
步进电机命名规则
制定
<
↑↑
点击查看命名规则
设为首页
|
加入收藏
|
联系我们
|
站长留言
|
广告服务
|
友情链接
|
免费展示
网站实名:步进电机网 步进电机驱动器网 微特电机网
网站地图
新闻中心
版权所有:北京时代四维科技有限公司
© Copyright
B
y www.zgbjdj.com
京ICP备11042559号-1