|
| 110三相闭环步进电机套装16NM高速大扭矩混合伺服220V交流驱动器(SSZ) |
| 2017年8月22日 |
1111 
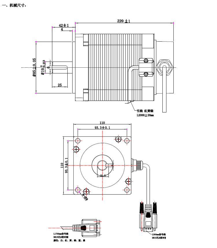
| 相数 | 3 | | 步距角 | 1.2°/STEP | | 电流/相±10% | 5.2A/PHASE | | 电阻/相20°±10% | 2.14Ω/PHASE | | 电感/相20°±10% | 17.5mH/PHASE | | 电机****静扭矩 | 16NM | | 绝缘等级 | B | | 绝缘电阻 | 100MΩ Min 500VDC | | 耐压 | 500V AC 1minute | | 温升 | 80℃ max |

电机尺寸图 
接线图 
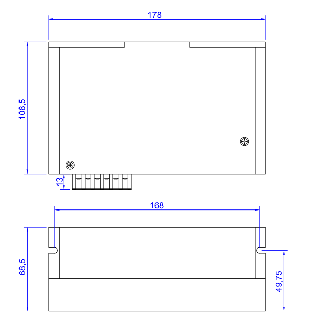
驱动器尺寸图 
联系电话18010107261 |
|
|
|