|
| 三相高压110闭环步进伺服电机套装20NM大扭矩马达220V交流驱动器(SSZ) |
| 2017年8月14日 |

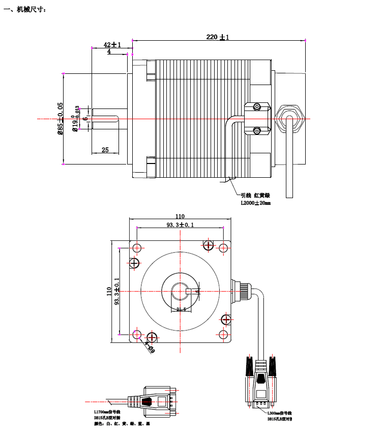
电机尺寸图 | 相数 | 3 | | 步距角 | 1.2°/STEP | | 电流/相±10% | 5.2A/PHASE | | 电阻/相20°±10% | 2.14Ω/PHASE | | 电感/相20°±10% | 17.5mH/PHASE | | 电机****静扭矩 | 20NM | | 绝缘等级 | B | | 绝缘电阻 | 100MΩ Min 500VDC | | 耐压 | 500V AC 1minute | | 温升 | 80℃ max |




注:此款有不带数显为银色外壳,带数显为蓝色外壳  
联系电话 18010107261 史先生 |
|
|
|