1 带编码器110三相电机配套产品图片

2 闭环步进电机控制作为一种新型的步进电机控制技术,是在传统步进电机后轴上安装了高精度光学增量编码器,由于编码器具备转子实时位置信息回传特性,所以驱动器可以实时监测电机轴位置,每秒取样电机轴位置信息达到20000次,这使得驱动器可实时补偿位移偏差,保证精确定位。而传统开环步进电机,由于无编码器反馈转子实时位置信息,当负载突然变化时,电机会出现丢步,从而导致定位错误,最终给用户带来巨大损失。 闭环步进系统特别适用于低刚性负载情况(如:皮带,滑轮系统),如果使用交流伺服系统,它们有一个共同的问题,就是一直要做补偿动作。为了得到较好的刚性,交流伺服系统特别希望工作在高增益条件下,这样极易导致交流伺服电机定位时会偏离位置,而驱动器会通过相反方向超调来纠正偏差,这种空震现象,在系统中十分普遍,其中静止摩擦力明显高于运行摩擦力。解决方案是降低增益,但是响应速度和精确度会受到影响。而闭环步进系统能****解决这个问题。它利用步进电机的独特性能,将其固定在既定位置,减少震荡。这种优点特别适用于纳米技术,半导体制造,视觉系统和喷墨打印领域,因为以上制造行业对系统的低振动性有很高要求。 ZDM-2HA2280采用了1000p/r高精度光学增量编码器。区别于传统的内部微细分步进驱动器,系统内部的高性能双核数字信号处理器芯片,使用矢量控制和滤波技术,以****次谐波达到平稳的旋转控制。 在高负载和高速情况下,ZDM-2HA2280表现依旧出色,不会出现失步或定位错误。转矩输出较之普通步进电机和驱动器而言,ZDM-2HA2280在长时间内可保持高转矩输出,在****负载情况下,步进电机持续运转而不会出现失步现象。区别于传统开环步进驱动器,ZDM-2HA2280倚靠其创新的电流相位控制技术,实现了在高速运动条件下,持续高转矩运行。因其可以实时监测当前定位特性,让步进电机实现了在****负载下,仍可以保持高转矩输出。 由于ZDM-2HA2280驱动器可以根据负载变化,实时调整控制电流,因此可以减少热量的产生,提升使用效能,相比开环步进电机,发热量减少50%以上,使得电机和轴承寿命得以延长,提升产品品质,降低维修率。 性能参数 u 采用全新32位电机控制专用双核数字智能芯片; u 采用先进的矢量电流及速度和位置闭环控制算法; u 静态电流和动态电流比例可以任意设置(0---8A范围内); u 可驱动 86-110全系列三相混合式步进伺服电机; u 电机标配1000线高精度编码器; u 光耦隔离差分信号输入; u 脉冲响应频率****可达300KHZ; u 细分16档设定(400-51200),特殊细分可按客户要求更改; u 具有过流、过压、超速、过热、跟踪误差超差等保护功能; u 支持指令控制模式; u 集成RS232通信功能,并且支持PC端软件调试参数; u 使用交流220V市电直接供电,节省变压器成本。 .产品相对优势● 优于开环步进电机驱动器的特点: u 准确定位,电机不会失步; u 定位稳定,即使受到外部力量影响,如机械振动或垂直定位保持,也会自动回复到原位; u 采用****额定转矩来驱动电机,而传统开环步进电机为避免失步问题,通常只会用50%额定转矩来驱动电机; u ZDM-2HA2280的控制电流依负载而定,电机能在高速下运行,而传统步进电机无论荷重,一律使用恒定电流,因此能效大大提高; u 由于电机转矩输出没有损失,所以电机的体积相比原来的开环系统降低1-2档,从而使电机的安装尺寸更小,系统成本下降; ●优于交流伺服电机驱动器的特点: u 无需调整增益(应负载变化自动调整增益); u 维持稳定的位置控制,定位完成后无抖动; u 可以实现快速定位,加减速曲线可以更陡,从而提高加工效率;实际测试空载起跳频率达8KHZ以上。 u 擅长在快速短行程运动中持续运行; u 成本只是交流伺服系统的30%-50%; 
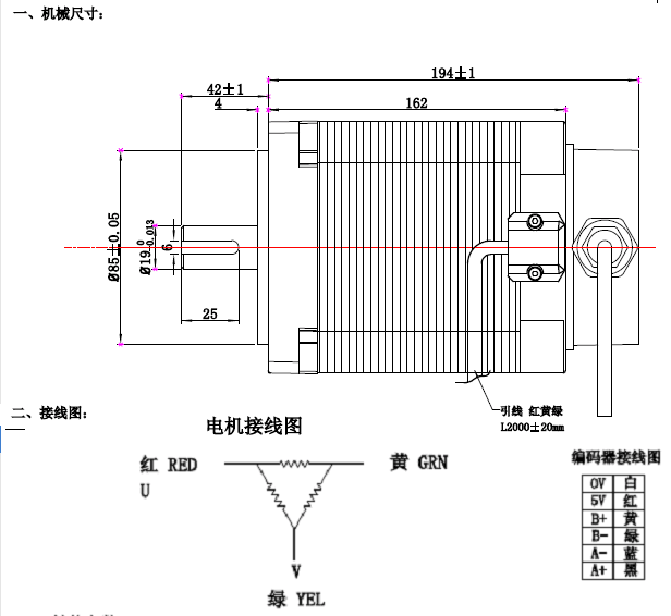
电机尺寸图 110闭环步进高压电机 规格有8 12 16 20等n.m 实现高速大力矩输出


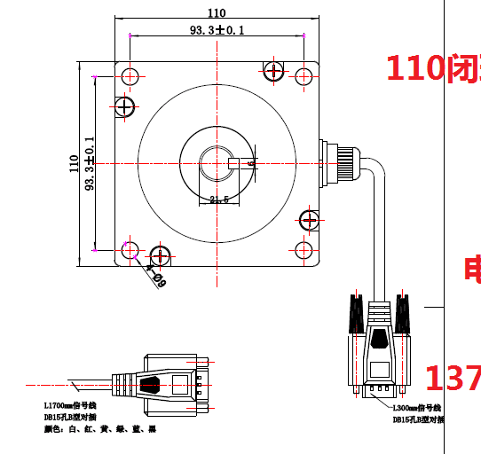
驱动器尺寸图 
联系电话 18010107261
|