
齿轮减速箱减速比有 1:3 1:5 1:7.5 1:10 1:12.5 1:15 1:20 1:30 1:50 1:180 1:100 等大量现货库存减速比!配套电机有0.9NM,1.5NM,2.2NM多种选择,经过减速之后。力矩大、转速平稳、噪音小,是控制用电机升级换代的理想选择。 
安装效果图:

基本参数:

产品外形尺寸: 
适配驱动器:

ZD-2HD430S具备这高集成度高可靠性;接口采用高速光耦隔离;****输出电流3A;****输入电压:DC 40V( 峰值);短路、过流、过热保护功能;内部每秒0-10K 脉冲,实现简单控制;整步、二、四、八、十六、三十二细分可调;输出电流连续可调;短路、过流、过热保护功能自动保护;自动半流锁定,减少待机发热;支持脱机、使能、锁定等功能。
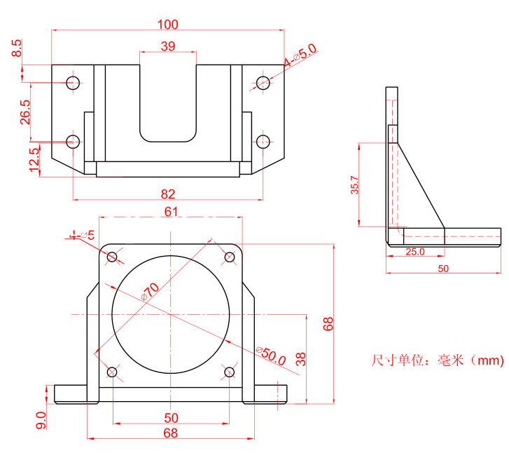
配套减速支架:

安装效果图:

外形尺寸图: 
联系人:李先生 电话:18010107283 QQ号码:2223199877 时代超群产品手册大全:
时代超群传动产品手册大全(ZC) 时代超群伺服产品手册大全(ZC) 时代超群步进类产品手册大全(ZC) 时代超群无刷类产品手册大全(ZC)
|