
闭环步进电机就是步进电机和闭环控制的结合体,由于步进电机开环控制系统有精度不高、丢步等缺点,故在精度要求较高的场合可以采用步进电机的闭环控制系统,这种控制方式是直接或间接地检测出转予(或负载)的位置或速度,然后通过反馈和适当的处理,自动地给出步进电机的驱动脉冲序列,这个驱动脉冲序列是根据负载或转子的位置而随时变化的这种控制方式的实现方法很多,在要求精度很高的场合,结合微步驱动技术及微型计算机控制技术,可以实现很高的位置精度要求。 86系列全数字闭环高速恒扭矩伺服步进套装 编码器电机86EBP159ALC-TK0静转矩10Nm,编码器1000P。编码器线长和电机线长为2m。电流范围0~6A。 
系列产品参数:


ZDM-2HA865 为新一代 DSP 数字式步进闭环驱动器,采用先进的矢量型闭环控制技术,****克服传统开环步进电机丢步的问题,并且显著提高步进电机的高速性能、降低电机的发热程度和减小电机的振动,进一步的提升设备的工作速度和精度,降低设备的能耗。此外,在电机出现连续过载时,驱动器会输出报警信号,具有与交流伺服系统同样的可靠性。适配的电机安装尺寸与传统的(57/60) 和86 系列步进电机完全兼容,传统开环步进驱动方案可以做到无缝升级,并且成本相对于传统交流伺服系统的来讲具有极高的成本优势。 采用全新32 位电机控制专用DSP 芯片;采用先进的矢量型闭环控制技术;LED 数码管显示配按键操作,直观明了,操作方便;静态电流和动态电流可以任意设置(0--7.2A 范围内);可适配驱动(57/60) 和86 系列混合式闭环步进电机;光电隔离信号输入/ 输出;脉冲响应频率****可达200KHz;提供16 档通用细分选择,****256 细分(51200 脉冲/ 转);提供与各种脉冲源相匹配的电子齿轮(任意细分值);具有过流、过热、过压和跟踪误差超差等保护;

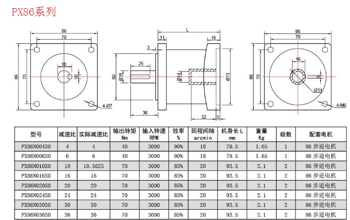
产品尺寸图:

联系人:李先生 电话:18010107283 QQ号码:2223199877 时代超群产品手册大全:
时代超群传动产品手册大全(ZC) 时代超群伺服产品手册大全(ZC) 时代超群步进类产品手册大全(ZC) 时代超群无刷类产品手册大全(ZC)
|