据说:每一百次电动机烧毁事件,热继电器能起作用不到30次,究其原因是多方面的,主要原因是热继电器存在无法克服的缺陷,例如:双金属片容易出现热疲劳,过热数次后难以恢复初起,因此,许多电机设备在开始设计时就不采用热继电器。
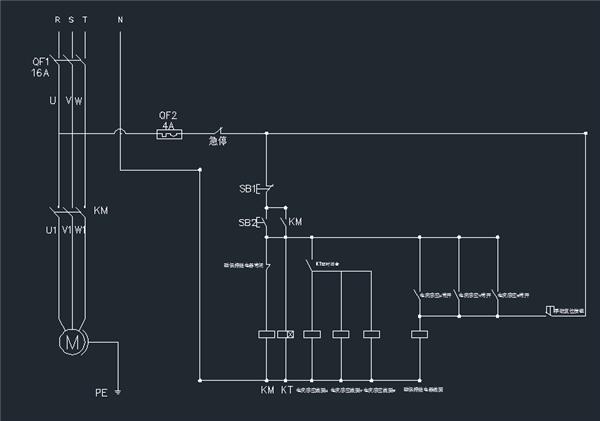
电机保护器已经在中国存在了30多个春秋,为什么还是阻挡不住电动机烧毁的发生,电动机烧毁大多是因为过电流引起的,造成过电流的原因有:过载,启动超时,缺相,过压,欠压,三相线路接触不良等等,因此如果要高效稳定的保护一个电动机它需要一个比较好的电流传感器。(下面分享一个在使用的电动机保护路,主要用的电流感应开关,时间继电器,还有磁保持接触器,交流接触器形成的电机保护电路。) 
这款电路主要用三个电流感应开关来感应电机的3相电流,如果电机的发生过流现象,电流感应开关,会动作。控制磁保持接触器输出端(NC),磁保持接触器控制着交流接触器电源端。从而控制交流接触器输出端断开。保护电机。这是通过延时开关避免了电机启动电流过大导致保护器误动作。 
86HCY150AL3-TK0三相混合式步进电机采用优质冷轧硅钢片和耐高温永磁体制造,业界先进的磁路设计方案,具有输出转矩大、温升低、可靠性高的特点。具有良好的内部阻尼特性,运行平稳,无明显振荡区。 步距角1.2°,扭矩7N.m,电流5.2A,机身高150MM,轴径Φ14MM,键6,出轴长35mm,广泛适用范围于激光、医疗、纺织、安防等行业

ZD-3HE2254M三相步进电机驱动器采用先进的DSP控制系统,性价比高;采用4bit开关设置16组等角度恒力矩细分,****分辨率60000脉冲/转;****反应频率可达200Kpps;输出步进脉冲停止超过100ms时,线圈电流自动减到设定电流的一半;采用光电隔离器件耦合信号输入/输出;驱动电流从1.2A/相到5.0A/相,分16档可调;单电源输入,电压范围:AC110-220V;I/O信号,所有输入信号均通过光电隔离,信号电平5~24V电平兼容。

CM30D-30是为公司生产的面板型运动控制器(数控系统),可同时控制三台驱动器带动电机同事工作。采用高性能32位CPU,驱动装置采用细分步进电机或交流伺服电机,配备液晶显示器,全封闭触摸式操作键盘。该系统具有可靠性高,精度高,噪音小,操作方便等特点。
成功应用于以下产品:
数控钻床系统、数控车床系统、数控铣床系统、数控磨床系统。 裁剪机控制系统、切割机控制系统、焊接控制系统、点胶机控制系统、送料控制系统。 位移台、一维控制平台、二维控制平台。 螺纹机控制系统、锁螺丝机控制系统。 喷涂生产线控制系统、装配生产线控制系统、记米器控制系统。 视频地址:http://v.youku.com/v_show/id_XMTYwNTI3NTA4NA==.html 联系方式:QQ:467102884
电话:13811070445(刘女士)
相关文章: 适用于闭环电机的液晶显示可编程控制器 如何解决可编程控制器使用中常出现的问题呢? 体积小、可靠性高、寿命长、易于使用的单轴控制器 CS10系列单轴控制器性能比较 可用于机器人送料机的智能控制器
|