
为了满足有些客户的需要,推出了几款出轴方式为斜齿形式的步进电机。下面做下介绍。 57HBP56AL4-TC0两相混合式步进电机采用优质冷轧硅钢片和耐高温永磁体制造,采用业界先进的磁路设计方案,具有输出转矩大、温升低、可靠性高的特点。具有良好的内部阻尼特性,运行平稳,无明显振荡区。步距角1.8°,扭矩0.9N.m,电流2A,机身高56MM,轴径Φ6.35MM,齿轴,出轴长22mm,可配齿轮箱减速机。广泛适用范围于激光、医疗、纺织、安防等行业。
可以配齿轮箱减速机的产品参数对照表: 
工作原理: 
可以配的齿轮箱减速比齿有 1:3 1:5 1:7.5 1:10 1:12.5 1:15 1:20 1:30 1:50 1:180 1:100 等大量现货库存减速比!配套电机有0.9NM,1.5NM,2.2NM多种选择,经过减速之后。力矩大、转速平稳、噪音小,是控制用电机升级换代的理想选择。


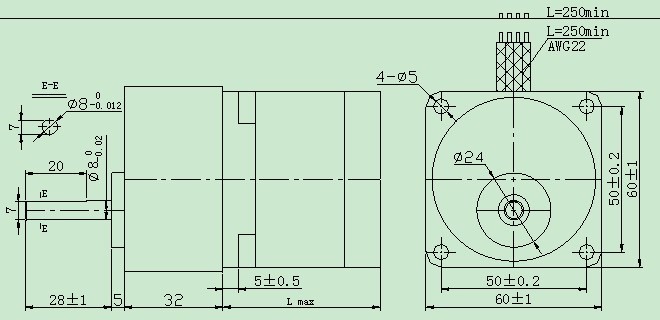
产品尺寸图如下 
配套驱动器可选:

ZD-2HD442两相步进电机驱动器所用芯片为东芝新品TB6600HQ\HG;此款驱动具有高集成度、高可靠性;接口采用超高速光耦隔离;抗高频干扰能力强;****输入电压:DC
45V(峰值);短路、过流、过热保护功能;****输出电流4.2A;整步、二细分、四细分、八细分、十六细分可调;输出电流连续可调;短路、过流、过热保护功能自动保护;自动半流锁定;支持脱机、使能、锁定等功能。
联系方式:QQ:467102884
电话:13811070445(刘女士)
相关文章: 20系列两相混合式步进电机 28系列两相混合式步进电机 35系列两相混合式步进电机 39系列两相混合式步进电机 42系列两相混合式步进电机 57系列两相混合式步进电机 步进驱动器芯片TB6600HG/HQ 配刹车的步进电机有哪些? 步进电机中刹车的应用 选用步进电机时应注意的事项 110系列两相混合式步进电机 ******的步进驱动器型号命名规则 什么是步进电机? 步进电机的分类及区别 步进电机有哪些特点? |