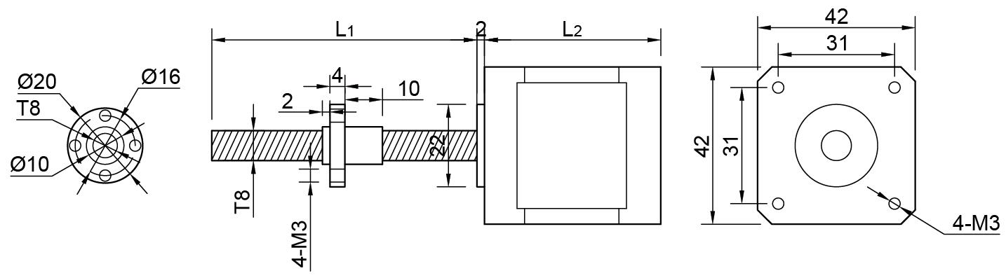
直线丝杆步进电机是采用步进电机作为旋转动力源,通过螺旋式传动把旋转运动转化为直线运动。一款精密滚珠的直线丝杆步进电机,可以在某些场合替代气缸,实现定位准确、速度可控、精度高等优点。直线丝杆步进电机被广泛应用于包括制造、精密校准、精密流体测量、精确位置移动等诸多高精度要求领域。直线丝杆步进电机的使用是非常广泛,且具有非常显著的特点,满足了人们的使用需求。时代超群直线丝杆步进电机可订制。双出轴带手轮梯形丝杠/滚珠丝杠 可加工42步进电机、57步进电机,丝杠长度可从50mm-500mm长。 
  






点击图片查看宝贝详情
ZD-2HD318高性能两相步进电机驱动器具有高集成度、高可靠性;接口采用高速光耦隔离;****输出电流1.8A;****输入电压:DC
32V(峰值);短路、过流、过热保护功能;内部每秒0-10K脉冲,实现简单控制;高细分,****支持128细分设定。
目前直线电机在世界各国的应用大致可分为物流系统、工业设备、信息与自动化系统、交通与民用、军事及其它,而在物流输送系统中的应用为最多。此外,直线电机还在水果和蔬菜的分类线上。
联系方式:QQ:467102884
电话:13811070445(刘女士)
相关文章: 57系列梯形丝杆直线电机有哪些? 57系列滚珠丝杆直线电机有哪些? 42系列梯形丝杆直线电机有那些? 42系列滚珠丝杆直线电机有哪些? 0.02NM的T型丝杆直线电机有哪些? 常用直线步进电机汇总 ******的直线电机型号命名规则 |