下图为传真机的结构图,其构成大致分为发送与接收两部分。接收部分与前述的复印机相似,所以复印机和传真机组成多功能一体机比较多。传真机也能使用步进电机。 
1、原稿的输送电机:原稿送纸时必须要有一定的速度并且转速波动小,所以很适合使用步进电机。步进电机可以使用混合型步进电机。 2、静电圆筒电机:使用混合型步进电机或闭环控制的直流电机,这些电机必须转速波动小。 3、接收纸张的传输驱动电机:此处多使用混合型步进电机 4、其他:颜色搅拌电机使用感应电机;滚筒纸的裁纸机驱动电机使用直流电机或步进电机;非滚筒送纸机,与前述复印机一样,不需要裁纸机。
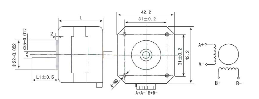
42HBP47BL4-DR0两相混合式步进电机 步距角1.8° 扭矩0.38N.m,电流1.2A,机身高47MM,轴径Φ5/Φ5,圆轴/圆轴,出轴长27mm/22mm,出厂前所有产品均通过72小时不间断通电老化测试广泛适用范围于激光、医疗、纺织、安防等行业。

产品尺寸图:


 


联系人:李先生 电话:18010107283 QQ号码:2223199877 |