42HAP34BJ4-TR0两相混合式步进电机,机身高34MM,扭矩0.22N.m,电流1.33A,轴径Φ5MM,圆轴,轴长24mm,可根据客户要求定制,广泛适用范围于激光、医疗、纺织、安防等行业。
 
基本参数 
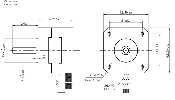
产品尺寸图 
红=A+ 蓝=A- 绿=B+ 黑=B-
适配驱动  ZD-6209-V2高集成度高可靠性;接口采用超高速光耦隔离;抗高频干扰能力强;****输入电压:DC 32V(峰值);电源反接保护;整步、二细分、八细分、十六细分可调;输出电流线性可调;过热自动保护;自动半流锁定;衰减 4 档可调;支持脱机、使能、锁定等功能。ZD-6209-V2C增加了内部调速功能。 
ZD-2HD318高性能两相步进电机驱动器具有高集成度、高可靠性;接口采用高速光耦隔离;****输出电流1.8A;****输入电压:DC 32V(峰值);短路、过流、过热保护功能;内部每秒0-10K脉冲,实现简单控制;高细分,****支持128细分设定。 
联系方式:QQ:467102884
电话:13811070445(刘女士)
相关文章: 20系列两相混合式步进电机 28系列两相混合式步进电机 35系列两相混合式步进电机 39系列两相混合式步进电机 42系列两相混合式步进电机 57系列两相混合式步进电机 |